
R&E International
A Subsidiary of Microchip Technology Inc.
RE46C126
CMOS Ionization Smoke Detector ASIC with Interconnect
Product Specification
© 2009 Microchip Technology Inc. DS22170B-page 1
General Description
The RE46C126 is low power CMOS ionization type
smoke detector IC. With few external components this
circuit will provide all the required features for an
ionization type smoke detector.
An internal oscillator strobes power to the smoke
detection circuitry for 10.5mS every 1.66 seconds to
keep standby current to a minimum. A check for a low
battery condition is performed every 40 seconds when
in standby. A 2/3 duty cycle continuous horn pattern is
used for the alarm condition.
An interconnect pin allows multiple detectors to be
connected such that when one unit alarms all units will
sound.
Although this device was designed for smoke detection
utilizing an ionization chamber it can be used in a
variety of security applications.
The RE46C126 is recognized by Underwriters
Laboratories for use in smoke detectors that comply
with specification UL217 and UL268.
Features
• Guard Outputs for Ion Detector Input
• +/-0.75pA Detect Input Current
• Internal Reverse Battery Protection
• Internal Low Battery Detection
• Low Quiescent Current Consumption (<6.5uA)
• Available in 16L PDIP or 16L N SOIC
• ESD Protection on all Pins
• Interconnect up to 40 Detectors
• Compatible
with
MC14468
• UL Recognized per File S24036
• Available in Standard Packaging or RoHS
Complaint Pb Free Packaging
Pin Configuration
16
DETCOMP
GUARD2
1
2
DETECT
IO
15
3
GUARD1
LBADJ
14
4
VSEN
STROBE
13
ABSOLUTE MAXIMUM RATINGS
PARAMETER SYMBOL
VALUE
UNITS
Supply Voltage
V
DD
15 V
Input Voltage Range Except FEED, IO
V
in
-.3 to V
dd
+.3 V
FEED Input Voltage Range
V
infd
-10 to +22
V
IO Input Voltage Range
V
io1
-.3 to 17
V
Reverse Battery Time
T
RB
5 S
Input Current except FEED
I
in
10
mA
Operating Temperature
T
A
-10 to 60
°C
Storage Temperature
T
STG
-55 to 125
°C
Maximum Junction Temperature
T
J
150
°C
Stresses beyond those listed under Absolute Maximum Ratings may cause permanent damage to the device. These are
stress ratings only and operation at these conditions for extended periods may affect device reliability.
This product utilizes CMOS technology with static protection; however proper ESD prevention procedures should be used
when handling this product. Damage can occur when exposed to extremely high static electrical charge
OSCAP
5
12
LED
VDD
RBIAS
FEED
6
HS
11
7
HB
10
VSS
8
9

RE46C126
CMOS Ionization Smoke Detector ASIC R&E International
Product Specification
A Subsidiary of Microchip Technology
Inc.
© 2009 Microchip Technology Inc. DS22170B-page 2
DC Electrical Characteristics at TA = 25°C, VDD=9V, OSCAP=.1uF, RBIAS=8.2MΩ, VSS=0V (unless
otherwise noted)
Limits
Parameter Symbol
Test
Pin Test
Conditions Min Typ Max Units
Supply Voltage
V
DD
6
Operating
6 12
V
I
DD1
6
RBIAS=8.2MΩ, OSCAP=.1uF
4.5
6.5
uA
Supply Current
I
DD2
6
RBIAS=8.2MΩ, OSCAP=.1uF;Vdd=12V
9
uA
V
IH1
8
6.2 4.5
V
Input Voltage High
V
IH2
2
No Local Alarm, IO as an Input
3
V
V
IL1
8
4.5 2.7 V
Input Voltage Low
V
IL2
2
No Local Alarm, IO as an Input
1
V
IL
DET1
15
VDD=9V, DETECT=VSS, 0-40% RH
-0.75
pA
IL
DET2
15
VDD=9V, DETECT=VSS, 85% RH
Note 1
-1.50
pA
Input Leakage Low
IL
FD
8
FEED=-10V
-50
uA
IH
DET1
15
VDD=9V, DETECT=VDD, 0-40% RH
0.75
pA
IH
DET2
15
VDD=9V, DETECT=VDD, 85% RH
Note 1
1.50
pA
IH
FD
8
FEED=22V
50
uA
I
IOL1
2
No Alarm, Vio=Vdd-2V
25 100
uA
Input Leakage High
I
IOL2
2
No Alarm, Vio=17V
150
uA
Output Off Leakage High
I
IOHZ
4,5
Output Off
1
uA
V
OH1
10,11
IOH=-16mA, VDD=7.2V
6.3 V
Output Voltage High
V
OH2
1
IOH=-30ua
8.5 V
V
OL1
10,11
IOL=16mA, VDD=7.2V
.9
V
V
OL2
1,4
IOL=30ua
.5
V
Output Voltage Low
V
OL3
5
IOL=10mA, VDD=7.2V
3
V
I
IOH1
2
Alarm, Vio=Vdd-2V or Vio=0V
-4 -16
mA
Output Current
I
IODMP
2
At Conclusion of Local Alarm or Test,
Vio=1V
5 mA
Low Battery Voltage
V
LB
6
T
A
=-10 to 60ºC, Note 3
7.2 7.5 7.8 V
V
SET1
13
47 50 53
%V
DD
Internal Sensitivity Set Voltage
V
SET2
3
65.5 %V
DD
VG
OS1
14,15
Guard Amplifier
-50 50
mV
VG
OS2
15,16
Guard Amplifier
-50 50
mV
Offset Voltage
VG
OS3
13,15
Smoke Comparator
-50 50
mV
V
CM1
14,15
Guard Amplifier, Note 2
2
V
DD
-.5
V
Common Mode Voltage
V
CM2
13,15
Smoke Comparator, Note 2
.5
V
DD
-2
V
Output Impedance
Z
OUT
14,16
Guard Amplifier Outputs, Note 2
10 k
Ω
Hysteresis
V
HYS
13
No Alarm to Alarm Condition
90 130 170 mV
Note 1: Sample test only
Note 2: Not 100% production tested
Note 3: Production test at room with temperature guardbanded limits.

RE46C126
CMOS Ionization Smoke Detector ASIC with Interconnect R&E International
Product Specification
A Subsidiary of Microchip Technology
Inc.
© 2009 Microchip Technology Inc. DS22170B-page 3
AC Electrical Characteristics at TA = 25°C, VDD=9V, OSCAP=.1uF, RBIAS=8.2MΩ, VSS=0V (unless
otherwise noted)
Limits
Parameter Symbol
Test
Pin Test
Conditions Min Typ Max Units
T
PER1
12
No Alarm Condition
1.34 1.67 2
S
Oscillator Period
T
PER2
12
Alarm Condition
37.5 41.5 45.8 mS
Oscillator Pulse Width
T
PW
5
Operating
9.1 10.5 12.9 mS
LED On Time
T
LON
5
Operating
9.1 10.5 12.9 mS
T
LOF1
5
Standby, No Alarm
32 40 48 S
LED Off Time
T
LOF2
5
Alarm Condition
.9 1 1.1 S
T
HON1
10,11
Operating, Alarm Condition, Note 4
141 166 190 mS
Horn On Time
T
HON2
10,11
Low Battery, No Alarm
9.4 10.5 12.9 mS
T
HOF1
10,11
Operating, Alarm Condition, Note 4
71 83 95 mS
Horn Off Time
T
HOF3
10,11
Low Battery, No Alarm
32 40 48 S
IO Charge Dump Duration
T
IODMP
2
At Conclusion of Local Alarm or Test
1.34 1.67 2.0 S
IO Delay
T
IODLY1
2
From Start of Local Alarm to IO Active
3 S
IO Filter
T
IOFILT
2
IO pulse width guaranteed to be filtered.
IO as Input, No Local Alarm
450
mS
Remote Alarm Delay
T
IODLY2
2
No Local Alarm, IO as input, From IO
active to Horn Active
.450 2.2 S
Note 4 – See the timing diagram for the horn 2/3 duty cycle pattern.

RE46C126
CMOS Ionization Smoke Detector ASIC with Interconnect R&E International
Product Specification
A Subsidiary of Microchip Technology
Inc.
© 2009 Microchip Technology Inc. DS22170B-page 4
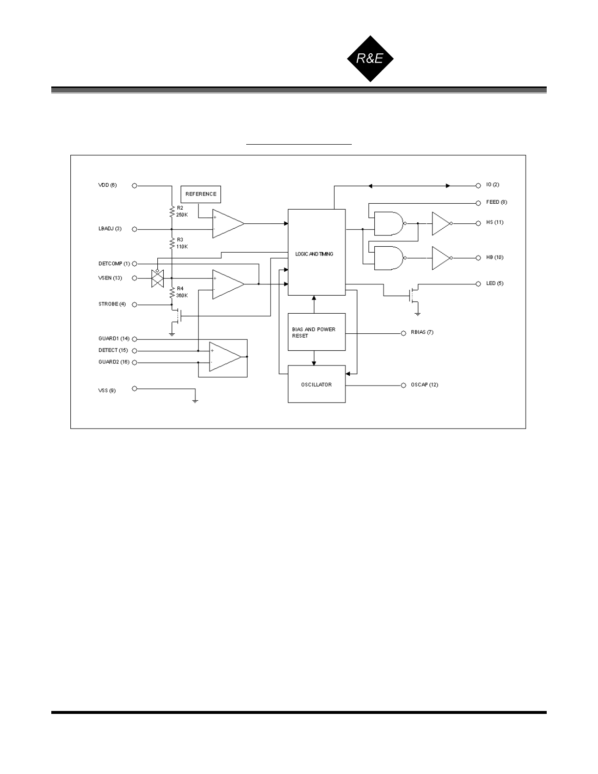
Functional Block Diagram
Figure 1

RE46C126
CMOS Ionization Smoke Detector ASIC with Interconnect R&E International
Product Specification
A Subsidiary of Microchip Technology
Inc.
© 2009 Microchip Technology Inc. DS22170B-page 5
DEVICE DESCRIPTION and APPLICATION NOTES
Note: All timing references are nominal values. Refer to the electrical specifications for limits
Internal Timing – With external components as indicated on the application drawing the period of the oscillator is
nominally 1.67 seconds in standby. Every 1.66 seconds the detection circuitry is powered up for 10.5mS and the
status of the smoke comparator is latched. In addition every 40 seconds the LED driver is turned on for 10.5mS
and the status of the low battery comparator is latched. The smoke comparator status is not checked during the
low battery test, during the low battery horn warning chirp, or when the horn is on due to an alarm condition.
If an alarm condition is detected the oscillator period increases to 41.5mS.
Due to the low currents used in the oscillator the capacitor on pin 12 should be a low leakage type. Oscillator
accuracy will depend mainly on the tolerance of the RBIAS resistor and OSCAP capacitor.
Smoke Detection Circuit – The smoke comparator compares the ionization chamber voltage to a voltage derived
from a resistor divider across VDD. This divider voltage is available externally on pin 13 (VSEN).
Pin 13 (VSEN) can be used to modify the internal set point for the smoke comparator by using external resistors
to VDD or VSS. Nominal values for the internal resistor divider are indicated on the block diagram. These internal
resistor values can vary by up to ±20% but the resistor matching will be <2% on any one device. A transmission
switch on pin 13 isolates this pin during the low battery test so that the low battery set point will not be affected if
external resistors are used to modify the smoke sensitivity set point.
The guard amplifier and outputs are always active and will be within 50mV of the DETECT input to reduce surface
leakage. The guard outputs also allow for measurement of the DETECT input without loading the ionization
chamber.
Low Battery Detection - An internal reference is compared to the voltage divided VDD supply. The battery can be
checked under load via the LED low side driver output since low battery status is latched at the end of the 11mS
LED pulse. Pin 3 (LBADJ) can be used to modify the low battery set point by placing a resistor to VDD or VSS.
Note that the internal resistor string is common to both pin 3 and pin 13 so there will be some interaction between
the two. Modification of the low battery set point may affect the smoke sensitivity setting.
LED Pulse – The LED is pulsed on for 10.5mS every 40S in standby. In alarm the LED is pulsed on for 10.5mS
every 1S. For a remote alarm condition the LED is always off.
Interconnect – Pin 2 (IO) provides the capability to common many detectors in a single system. If a single unit
goes into alarm the IO pin is driven high. This high signal causes the interconnected units to alarm. The LED
flashes every 1S for 10.5mS on the signaling unit and is inhibited on the units that are in alarm due to the IO
signal. An internal sink device on the IO pin helps to discharge the interconnect line. This dump device is active
for 1 clock cycle after the unit exits the alarm condition (1.67S).
The interconnect input has a 500mS nominal digital filter. This allows for interconnection to other types of alarms
(carbon monoxide for example) that may have a pulsed interconnect signal.
Testing - By holding pin 12 (OSCAP) low the internal power strobe is active and pin1 (DETCOMP) can be used to
check for smoke. Please refer to the timing diagrams.

RE46C126
CMOS Ionization Smoke Detector ASIC with Interconnect R&E International
Product Specification
A Subsidiary of Microchip Technology
Inc.
© 2009 Microchip Technology Inc. DS22170B-page 6
Typical Application
Figure 2
Notes:
1.
R3, R4 and C1 are typical values and may be adjusted to maximize sound pressure.
2.
C2 should be located as close as possible to the device power pins.
3.
Route the pin 8 PC board trace away from pin 7 to avoid coupling.

RE46C126
CMOS Ionization Smoke Detector ASIC with Interconnect R&E International
Product Specification
A Subsidiary of Microchip Technology
Inc.
© 2009 Microchip Technology Inc. DS22170B-page 7
Timing Diagram
Standby Mode; No Low Battery; No Alarm
Alarm; No Low Battery
Alarm; Low Battery
Oscillator
1.67S
10.5mS
Internal Clock
24 Clock Cycles (40 S)
Floating
LED
DETCOMP (pin1)
Sample Smoke
Floating
STROBE
(pin 4)
Low Battery Warning Chirp
Horn
See Figure Below for Complete Horn Cycle
IO (Pin 2) as Output
IO Charge Dump
T
IODMP
T
IOFILT
IO ( Pin 2) as Input
LED supressed in remote alarm mode
T
IODLY2
Horn
Start of horn pattern is not synchronized to an external alarm
Horn pattern not self completing for external alarm
Internal Clock
Notes:
1. Smoke is not sampled when the horn is active. Horn cycle is self completing in local alarm
2. Low battery warning chirp is suppressed in alarm
3. IO Dump active only in local alarm, inactive if external alarm
No Alarm; Low Battery
24 Clock Cycles (1S)
Pin 15 > Pin 13
Pin 15 > Pin 13
Pin 13 > Pin 15; 130mV Level Shift on Pin 13