
R&E International
A Subsidiary of Microchip Technology Inc.
RE46C140
CMOS Photoelectric Smoke Detector ASIC with Interconnect and Timer Mode
Product Specification
General Description
The RE46C140 is low power CMOS photoelectric type
smoke detector IC. With minimal external components
this circuit will provide all the required features for a
photoelectric type smoke detector.
The design incorporates a gain selectable photo
amplifier for use with an infrared emitter/detector pair.
An internal oscillator strobes power to the smoke
detection circuitry for 100us every 10 seconds to keep
standby current to a minimum. If smoke is sensed the
detection rate is increased to verify an alarm condition.
A high gain mode is available for push button chamber
testing.
A check for a low battery condition and chamber
integrity is performed every 43 seconds when in
standby. The temporal horn pattern supports the NFPA
72 emergency evacuation signal.
2009 © Microchip Technology Inc. DS22179B-page 1
An interconnect pin allows multiple detectors to be
connected such that when one units alarms, all units
will sound.
An internal 10 minute timer can be used for a reduced
sensitivity mode.
The RE46C140 is recognized by Underwriters
Laboratories for use in smoke detectors that comply
with specification UL217 and UL268.
Features
• Internal Power On Reset
• Low Quiescent Current Consumption
• Available in 16L PDIP, 16L N SOIC or 16L W SOIC
• ESD Protection on all Pins
• Interconnect up to 40 Detectors
• 10 Minute Timer for Sensitivity Control
• Temporal Horn Pattern
• Internal Low Battery and Chamber Test
• Compatible with Allegro A5366
• UL Recognized per File S24036
• Available in Standard Packaging or RoHS
Compliant Pb Free Packaging.
Pin Configuration
16
TEST
1
C1
2
VSEN
C2
15
VSS
DETECT
3
14
STROBE
4
ROSC
13
ABSOLUTE MAXIMUM RATINGS
PARAMETER SYMBOL
VALUE
UNITS
Supply Voltage
V
DD
15 V
Input Voltage Range Except FEED, IO
V
in
-.3 to V
dd
+.3 V
FEED Input Voltage Range
V
infd
-10 to +22
V
IO Input Voltage Range
V
io1
-.3 to 17
V
Input Current except FEED
I
in
10
mA
Operating Temperature
T
A
-25 to 75
°C
Storage Temperature
T
STG
-55 to 125
°C
Maximum Junction Temperature
T
J
150
°C
Stresses beyond those listed under Absolute Maximum Ratings may cause permanent damage to the device. These are
stress ratings only and operation at these conditions for extended periods may affect device reliability.
This product utilizes CMOS technology with static protection; however proper ESD prevention procedures should be used when
handling this product. Damage can occur when exposed to extremely high static electrical charge.
5
COSC
12
VDD
IRED
IO
HORNB
LE
6
D
11
7
FEED
10
HORNS
8
9

RE46C140
CMOS Photoelectric Smoke Detector ASIC with Interconnect R&E International
and Timer Mode
A Subsidiary of Microchip Technology
Inc.
Product Specification
2009 © Microchip Technology Inc. DS22179B-page 2
DC Electrical Characteristics at TA = -25° to 75°C, VDD=9V, Typical Application (unless otherwise noted)
Limits
Parameter Symbol
Test
Pin Test
Conditions Min Typ Max
Units
Supply Voltage
V
DD
5
Operating 6
12
V
I
DD1
5
Configured as in Figure 2,
COSC=VSS, LED off
4 6
uA
I
DD2
5
Configured as in Figure 2, VDD=12V,
COSC=VSS
5.5 8 uA
I
DD3
5
Configured as in Figure 2, STROBE
on, IRED off, VDD=12V
2
mA
Supply Current
I
DD4
5
Configured as in Figure 2, STROBE
on, IRED on, VDD=12V, Note 1
3
mA
V
IH1
10
FEED 6.2
4.5
V
V
IH2
7
No Local Alarm, IO as an Input
3.2
V
V
IH3
15
VSEN 1.6
V
Input Voltage High
V
IH4
16
TEST 8.5
V
V
IL1
10
FEED
4.5
2.7
V
V
IL2
7
No Local Alarm, IO as an Input
1.5
V
V
IL3
15
VSEN
.5
V
Input Voltage Low
V
IL4
16
TEST
7
V
I
IL1
1,2,3
VDD=12V, COSC=12V, STROBE
active
-100
nA
I
IL2
12,10
VDD=12V, Vin=VSS
-100
nA
I
IL3
15,16
VDD=12V, Vin=VSS
-1
uA
Input Leakage Low
I
LFD
10
FEED=-10V
-50
uA
I
IH1
1,2
VDD=12V, Vin=VDD, STROBE active
100
nA
I
IH2
3,12,10
VDD=12V, Vin=VDD
100
nA
Input Leakage High
I
HFD
10
FEED=22V
50
uA
I
PD1
16
Vin=VDD .25
10
uA
I
PD2
15
Vin=VDD .1
.25
.5
uA
I
PDIO1
7
Vin=VDD 20
80
uA
Input Pull Down Current
I
PDIO2
7
Vin=17V, VDD=12
140
uA
Output Leakage Current
Low
I
OZL1
11,13
Output Off, Output=VSS
-1
uA
Output Leakage Current
High
I
OZH1
11,13
Output Off, Output=VDD
1
uA
Note 1: Does not include Q3 emitter current.

RE46C140
CMOS Photoelectric Smoke Detector ASIC with Interconnect R&E International
and Timer Mode
A Subsidiary of Microchip Technology
Inc.
Product Specification
2009 © Microchip Technology Inc. DS22179B-page 3
DC Electrical Characteristics (continued) at TA= -25° to 75°, VDD=9V, Typical Application (unless
otherwise noted)
Limits
Parameter Symbol
Test
Pin Test
Conditions Min Typ Max Units
V
OL1
8,9 Iol=16mA,
VDD=6.5V
1 V
V
OL2
13
Iol=5mA,
VDD=6.5V
.5
V
Output Voltage Low
V
OL3
11
Iol=10mA,
VDD=6.5V
.6
V
Output Voltage High
V
Oh1
8,9 Iol=-16mA,
VDD=6.5V
5.5 V
I
IOH1
7
Alarm, Vio=Vdd-2V or Vio=0V
-4
-16
mA
Output Current
I
IODMP
7
At Conclusion of Local Alarm or
Test, Vio=1V
5 mA
Low Battery Alarm Voltage
V
LB
5
6.9
7.2
7.5
V
V
STOF
4
STROBE off, VDD=12V,
Iout=-1uA
Vdd-.1
V
V
STON
4
STROBE on, VDD=9V
Iout= 100uA to 500uA
V
DD
-
5.25
V
DD
-
5
V
DD
-
4.75
V
V
IREDOF
6
IRED off, VDD=12V, Iout=1uA
.1
V
Output Voltage
V
IREDON
6
IRED on, VDD=9V
Iout=0 to -6mA, Ta=25C
2.85 3.1
3.35 V
Common Mode Voltage
V
CM1
1,2,3
Local smoke, Push to Test or
Chamber Test, Note 1
.5
V
DD
-2 V
Smoke Comparator
Reference
V
ref
-
Internal Reference, Note 1
V
DD
-
3.7
V
DD
-
3.3
V
TC
ST
4
VDD=6V to 12V, STROBE Output
Voltage
.01 %/ºC
Temperature Coefficient
TC
IRED
6
VDD=6V to 12V, IRED Output
Voltage
.3
%/ºC
ΔV
STON
4,5
Active, VDD=6V to 12V
-50
dB
Line Regulation
ΔV
IREDON
6,5
Active, VDD=6V to 12V
-30
dB
Note 1: Not production tested
Typical values are for design information and are not guaranteed.
Limits over the specified temperature range are not production tested and are based on characterization data.

RE46C140
CMOS Photoelectric Smoke Detector ASIC with Interconnect R&E International
and Timer Mode
A Subsidiary of Microchip Technology
Inc.
Product Specification
2009 © Microchip Technology Inc. DS22179B-page 4
AC Electrical Characteristics at TA =-25° to 75°, VDD=9V, VSS=0V, Component Values from Figure 2 ;
R9=100KΩ, R12=10MΩ, C5= 1.5nF(unless otherwise noted)
Limits
Parameter Symbol
Test
Pin Test
Conditions Min Typ Max Units
Oscillator Period
T
POSC
12
No Alarm Condition
9.4
10.5
11.5
mS
LED and STROBE On Time
T
ON1
11,4 Operating
9.4 10.5 11.5 mS
T
PLED1
11
Standby, No Alarm
39
43
47
S
T
PLED2
11
Local Alarm Condition
.45
.5
.55
S
T
PLED3
11
Timer Mode, No Local Alarm
9.6
10.75
11.8
S
LED Period
T
PLED4
11
Remote Alarm Only
LED IS NOT ON
S
T
PER1
4,6
Standby, No Alarm
9.6
10.75
11.8
S
T
PER1A
4,6
Standby, After 1 Valid Smoke
Sample
1.8 2 2.2 S
T
PER1B
4,6
Standby, After 2 Consecutive Valid
Smoke Samples
.9 1 1.1 S
T
PER2
4,6
In Local Alarm – (3 Consecutive
Valid Smoke Samples)
.9 1 1.1 S
T
PER3
4,6
In Remote Alarm
7.2
8
8.9
S
T
PER4
4,6 Pushbutton
Test
300 336 370 mS
STROBE and IRED Pulse
Period
T
PER5
4,6
Chamber Test or Low Battery
Test, no Alarms
38.9 47.1 S
IRED On Time
T
ON2
6 Operating
94 104 115 uS
T
HON1
8,9
Operating, Alarm Condition,
Note 1
450 500 550 mS
Horn On Time
T
HON2
8,9
Low Battery or Failed Chamber
Test , No Alarm
9.5 10.5 11.5 mS
T
HOF1
8,9
Operating, Alarm Condition,
Note 1
450 500 550 mS
T
HOF2
8,9
Operating, Alarm Condition,
Note 1
1.35 1.5 1.65 S
Horn Off Time
T
HOF3
8,9
Low Battery or Failed Chamber
Test, No Alarm
39 43 47 S
IO Charge Dump Duration
T
IODMP
7
At Conclusion of Local Alarm or
Test Alarm
.9
1.46
S
IO Delay
T
IODLY1
7
From Start of Local Alarm to IO
Active
0 S
IO Filter
T
IOFILT
7
IO pulse width guaranteed to be
filtered. IO as Input, No Local
Alarm
600
mS
Remote Alarm Delay
T
IODLY2
7
No Local Alarm, From IO Active
Horn Active
1.05 2.0 S
Timer Period
T
TPER
No Alarm Condition, Note 2
8
10
12
Min
Note 1 – See timing diagram for Horn Temporal Pattern
Note 2 – During the timer mode the LED Period is 10.5 seconds. The LED period will return to a 43 seconds at the conclusion of the timer
mode.
Note 3 - T
POSC
and
T
ON2
are 100%
production tested. All other timing is guaranteed by functional testing.
Typical values are for design information and are not guaranteed.
Limits over the specified temperature range are not production tested and are based on characterization data.

RE46C140
CMOS Photoelectric Smoke Detector ASIC with Interconnect R&E International
and Timer Mode
A Subsidiary of Microchip Technology
Inc.
Product Specification
2009 © Microchip Technology Inc. DS22179B-page 5

RE46C140
CMOS Photoelectric Smoke Detector ASIC with Interconnect R&E International
and Timer Mode
A Subsidiary of Microchip Technology
Inc.
Product Specification
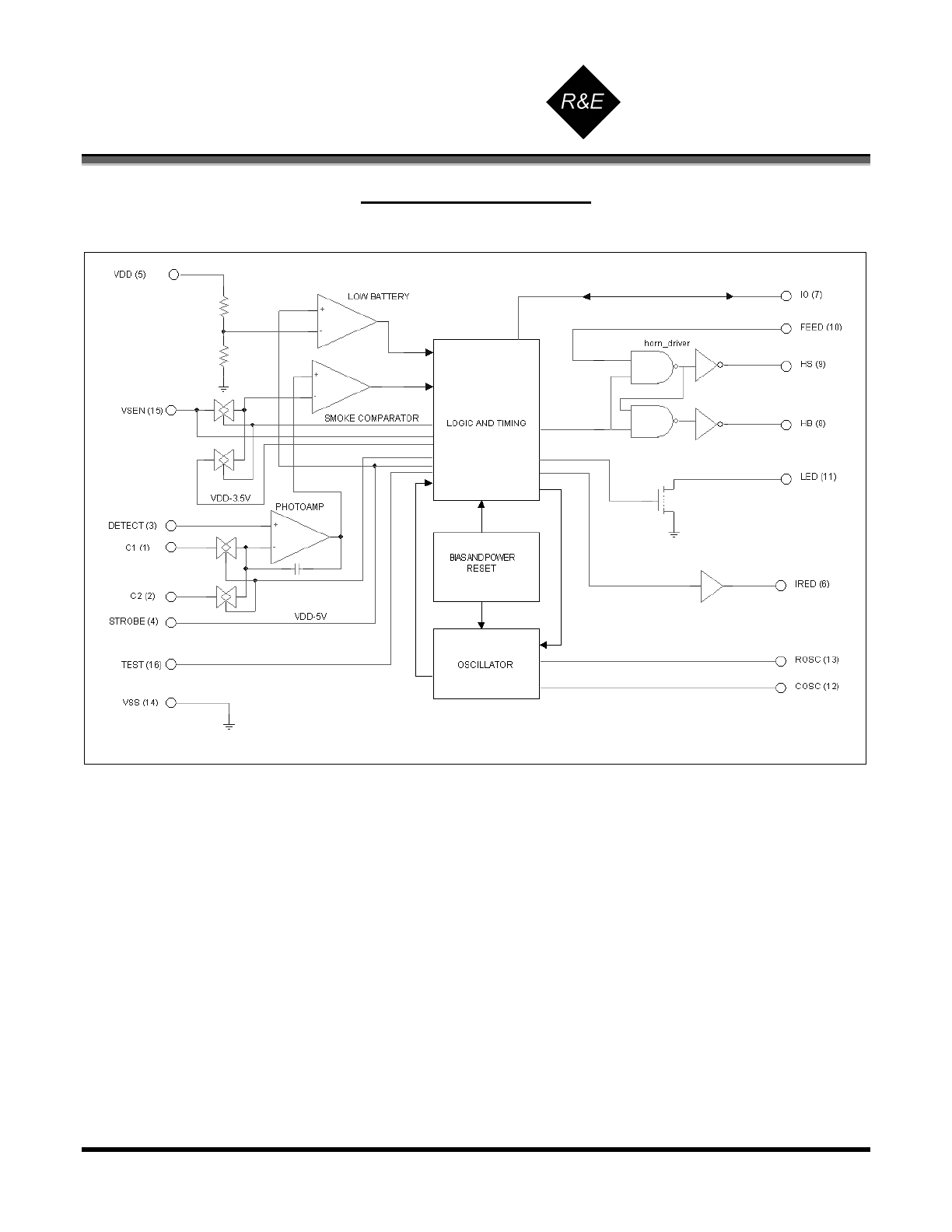
Functional Block Diagram
Figure 1
2009 © Microchip Technology Inc. DS22179B-page 6

RE46C140
CMOS Photoelectric Smoke Detector ASIC with Interconnect R&E International
and Timer Mode
A Subsidiary of Microchip Technology
Inc.
Product Specification
2009 © Microchip Technology Inc. DS22179B-page 7
PIN DESCRIPTIONS
PIN#
PIN NAME
DESCRIPTION
1
C1
The capacitor connected to this pin sets the photo amplifier gain (high) for the
push-to-test and chamber sensitivity test. The size of this capacitor will depend
on the chamber background reflections. A=1+(C1/10) where C1 is in pF. The
gain should be <10000.
2
C2
The capacitor connected to this pin sets the photo amplifier gain (normal) during
standby. The value of this capacitor will depend on the smoke sensitivity
required. A=1+(C2/10) where C2 is in pF.
3
DETECT
Positive input to the photo amplifier. This input is normally connected to the
cathode of an external photo diode operated at zero bias.
4
STROBE
Regulated output voltage of VDD-5 which is active during a test for smoke. This
output is the negative side of the photo amplifier circuitry.
5
VDD
Connect to the positive supply voltage
6
IRED
Provides a regulated pulsed output voltage pre-driver for the infrared emitter.
This output usually drives the base of an NPN transistor.
7
IO
This bidirectional pin provides the capability to interconnect many detectors in a
single system. This pin has an internal pull-down device.
8
HB
This pin is connected to the metal electrode of a piezoelectric transducer.
9
HS
HS is a complementary output to HB and connects to the ceramic electrode of
the piezoelectric transducer.
10
FEED
Usually connected to the feedback electrode through a current limiting resistor. If
not used this pin must be connected to VDD or VSS.
11
LED
Open drain NMOS output used to drive a visible LED.
12
COSC
A capacitor connected to this pin with parallel resistor sets the internal clock low
time which is approximately the clock period.
13
ROSC
A resistor between this pin and pin 12 (COSC) sets the internal clock high time.
This also sets the IRED pulse width (100-200uS).
14
VSS
Connect to the negative supply voltage.
15
VSEN
In the timer mode this input pin can be used to set an external smoke
comparator reference.
16
TEST
This input is used to invoke two test modes and the timer mode. This input has
an internal pull-down.

RE46C140
CMOS Photoelectric Smoke Detector ASIC with Interconnect R&E International
and Timer Mode
A Subsidiary of Microchip Technology
Inc.
Product Specification
Typical Application
Figure 2
Notes:
1.
C3 should be located as close as possible to the device power pins.
2.
C3 is typical for an alkaline battery. This capacitance should be increased to 4.7uF or greater for a carbon battery.
3.
R10, R11 and C6 are typical values and may be adjusted to maximize sound pressure.
2009 © Microchip Technology Inc. DS22179B-page 8

RE46C140
CMOS Photoelectric Smoke Detector ASIC with Interconnect R&E International
and Timer Mode
A Subsidiary of Microchip Technology
Inc.
Product Specification
2009 © Microchip Technology Inc. DS22179B-page 9
CIRCUIT DESCRIPTION AND APPLICATION NOTES
Note: All timing references are nominal. See electrical characteristics for limits.
Standby Internal Timing – With the external components specified in the typical application figure for ROSC and
COSC the internal oscillator has a nominal period of 10mS. Normally the analog circuitry is powered down to
minimize standby current (typically 4uA at 9V). Once every 10 seconds the detection circuitry (normal gain) is
powered up for 10mS. Prior to completion of the 10mS period the IRED pulse is active for 100uS. At the
conclusion of this 10mS period the photo amplifier is compared to an internal reference to determine the chamber
status and latched. If a smoke condition is present the period to the next detection decreases and additional
checks are made. Three consecutive smoke detections will cause the device to go into alarm and the horn circuit
and interconnect will be active.
Once every 40 seconds the status of the battery voltage is checked. This status is checked and latched at the
conclusion of the LED pulse. In addition, once every 40 seconds the chamber is activated and using the high gain
mode (capacitor C1) a check of the chamber is made by amplifying background reflections. If either the low
battery or the photo chamber test fails the horn will chirp for 10mS every 40 seconds.
The oscillator period is determined by the values of R9, R12 and C5 (see typical application FIG 2). The oscillator
period T=T
R
+ T
F
where T
R
=.6931 * R12 * C5 and T
F
=.6931 * R9 * C5
Smoke Detection Circuitry – A comparator compares the photo amp output to an internal reference voltage. If the
required number of consecutive smoke conditions is met the device will go into local alarm and the horn will be
active. In local alarm the C2 gain is internally increased by ~10% to provide alarm hysteresis.
Push to Test Operation – If the TEST input pin is activated (Vih) then, after one internal clock cycle, the smoke
detection rate increases to once every 330mS. In this mode the high gain capacitor C1 is selected and
background reflections are used to simulate a smoke condition. After the required consecutive detections the
device will go into a local alarm condition. When the TEST input is deactivated (Vil) and after one clock cycle the
normal gain capacitor C1 is selected. The detection rate continues at once every 330mS until 3 consecutive no
smoke conditions are detected. At this point the device returns to standby timing.
LED Operation – In standby the LED is pulsed on for 10mS every 43 Seconds. In a local alarm condition or the
push to test alarm the LED pulse frequency is increased to once every .5 seconds. In the case of a remote alarm
the LED not active. In the timer mode of operation the LED is pulsed on for 10mS every 10 seconds.
Interconnect Operation – The bidirectional IO pin allows for interconnection of multiple detectors. In a local alarm
condition this pin is driven high immediately through a constant current source. Shorting this output to ground will
not cause excessive current. The IO is ignored as an input during a local alarm.
The IO pin also has an NMOS discharge device that is active for 1 second after the conclusion of any type of local
alarm. This device helps to quickly discharge any capacitance associated with the interconnect line.
If a remote active high signal is detected the device goes into remote alarm and the horn will be active. Internal
protection circuitry allows for the signaling unit to have a higher supply voltage than the signaled unit without
excessive current draw.
The interconnect input has a 670mS nominal digital filter. This allows for interconnection to other types of alarms
(carbon monoxide for example) that may have a pulsed interconnect signal.

RE46C140
CMOS Photoelectric Smoke Detector ASIC with Interconnect R&E International
and Timer Mode
A Subsidiary of Microchip Technology
Inc.
Product Specification
2009 © Microchip Technology Inc. DS22179B-page 10
Low Battery and Chamber Test – In standby an internal reference is compared to the voltage divided VDD supply.
Low battery status is latched at the conclusion of the LED pulse. The horn will chirp for 10ms every 43 seconds
until the low battery condition no longer exists. In standby a chamber test is also performed every 40 seconds by
switching to the high gain capacitor C1 and sensing the photo chamber background reflections. Two consecutive
chamber tests failures will also cause the horn to chirp for 10mS every 43 seconds. The low battery chirp occurs
next to the LED pulse and the failed chamber test chirp ~20 seconds later. The low battery and chamber tests are
not performed in a local or remote alarm condition.
Timer Mode – If resistors R
adj1
and R
adj2
are in place and a high to low transition occurs on the TEST input the
device enters a 10 minute timer mode. In this mode the smoke comparator reference is switched from the internal
VDD-3.5V reference to the voltage that appears on VSEN (pin 15). This allows the sensitivity to be modified for
the duration of the 10 minute timer period. The chamber test is performed in the timer mode. If VSEN is left
unconnected or tied to VSS the timer mode of operation is inhibited.
Diagnostic Mode – In addition to the normal function of the TEST input a special diagnostic mode is available for
calibration and test of the smoke detector. Taking the TEST pin below VSS and sourcing ~300uA out of the pin
for 1 clock cycle will enable the diagnostic mode. In the diagnostic mode some of the pin functions are redefined.
Refer to the table below for redefined pin functions in the diagnostic mode. In addition in this mode STROBE is
always enabled and the IRED is pulsed at the clock rate of 10.5mS nominal.
Pin Name Pin Number
Description
IO
7
Disabled as an output. A high on this pin directs the photo amplifier output to pin C1
(1) or C2 (2), determined by the level on VSEN (15). Amplification occurs during the
IRED active time.
VSEN
15
If IO is high then this pin controls the gain capacitor that is used. If VSEN is low then
normal gain is selected and the photo amp output appears on C1 (1). If VSEN is
high then high gain is selected and the photo amp output is on C2 (2).
FEED
10
If VSEN (15) is low then taking this input high will enable hysteresis which is a
nominal 10% gain increase in normal gain mode.
COSC
12
If desired this pin can be driven by an external clock.
HORNB
8
This pin becomes the smoke integrator output. A high level indicates that an alarm
condition has been detected.
LED
11
The LED pin is used as a low battery indicator. For VDD above the low battery
threshold the open drain NMOS is off. If VDD falls below the threshold the NMOS
turns on.