
R&E International
A Subsidiary of Microchip Technology Inc.
RE46C105
Piezoelectric Horn Driver with Voltage Regulator and LED Driver
Product Specification
General Description
The RE46C105 is a piezoelectric horn driver with a
voltage regulator and an open drain NMOS driver
suitable for use with a light emitting diode. It is
intended for 9V battery applications which require a
low voltage logic supply. The regulator can be
operated at either 3.3V or 5V. The horn feedback
control pin is designed for use with self-oscillating
piezoelectric horn but can also be used in direct
drive applications. A low battery detection circuit is
also provided.
Applications
Smoke detectors
CO Detectors
Personal Security Products
Electronic Toys
Features
• Low Quiescent Current
• Low Horn Driver Ron
• Voltage Regulation to 3.3V or 5V
• Low Battery Detection
• Available in DIP and SOIC packaging
•
Available in Standard Packaging or RoHS
Compliant Pb Free Packaging
Pin Configuration
LBOUT
LBSTRB
LBSET
LED
LEDEN
FEED
VDD
REGEN
REGOUT
REGSEL
HRNEN
HORNB
VSS
HORNS
1
14
Absolute maximum ratings
Supply Voltage Vdd ........………………………………….......-.5V to +14V
Input voltage Range Vin ...…………………………………..... -.3V to VDD+.3V, except FEED
FEED Input Voltage Range Vinf …………………………...… -10V to +22V
Input Current Iin ..............…………………………………..... 10mA, except FEED
Operating Temperature .......………………………………….. -40 to 85
°C
Continuous Output Current (HornS, HornB) .……………….. 30mA
Continuous Output Current (REGOUT) .…………………….. 55mA
Stresses beyond those listed under Absolute Maximum Ratings may cause permanent damage to the device. These are stress
ratings only and operation at these conditions for extended periods may affect device reliability.
This product utilizes CMOS technology with static protection; however proper ESD prevention procedures should be used
when handling this product. Damage can occur when exposed to extremely high static electrical charges.
© 2009 Microchip Technology Inc.
DS22167A-page 1

RE46C105
Piezoelectric Horn Driver with Voltage Regulator and LED Driver
R&E International
Product Specification
A Subsidiary of Microchip Technology
Inc.
© 2009 Microchip Technology Inc.
DS22167A-page 2
Electrical Characteristics at TA = 25°C, VDD = 9V, Vss = 0V (unless otherwise noted).
Parameter
Test
Pin
Test Conditions
Limits
Min Typ Max
Units
Supply Voltage
Vdd
Operating
6.0 9.0 13.8
V
Standby Supply
Current
Vdd
Hrnen=Lbstrb=Leden=Vss
Regen=Vdd; No Loads
3.5
uA
Input Leakage
Hrnen,Leden,
Lbstrb,Regen
Vin=Vdd or Vss
-100 100
nA
FEED
Feed = +22V
20 50
uA
FEED
Feed = -10V
-50 -15
uA
Input Voltage Low
Hrnen,Leden,
Lbstrb,Regen
1.0
V
Input Voltage High
Hrnen,Leden
Lbstrb,Regen
2.3
V
Output Low Voltage
Horns or Hornb
LED
LBout
Iout=16mA Vdd=9V
Vdd=7.2V
Iout=10mA Vdd=7.2V
Iout=100uA
0.3 0.5
0.9
0.5 1.0
0.3 0.5
V
V
V
V
Output High
Voltage
Horns or
Hornb
LBout
Iout=-16mA Vdd=9V
Vdd=7.2V
Iout=-100uA Regsel=Vdd
Regsel=Vss
8.5 8.7
6.3
4.5 4.75
2.8 3.0
V
V
V
V
Low Battery
VoltageThreshold
Vdd
Lbstrb=Vdd,
Vdd decreasing in voltage
T
A
=-40 to 85
°C See note #3
7.2 7.80
V
Low Battery
Voltage Hysteresis
Lbstrb
Lbstrb=Vdd
Vdd increasing in voltage
300
mV
Lbstrb to Lbout
Active delay
Lbstrb, Lbout
Lbstrb=Vdd
500
uS
Regulator Voltage
Regout
Iout<50mA Regsel=Vdd
Iout<50mA Regsel=Vss
T
A
=-40 to 85
°C See note #3
4.75 5.0 5.25
3.10 3.3 3.50
V
V
Line Regulation
Regout
6V<Vdd<12V
No load
30
mV
Load Regulation
Regout
0mA<Iout<50mA
100
mV
Brown-Out
Threshold Voltage
*See note #1
Vdd
Regsel=Vdd or Vss
Falling edge of Vdd
4.5 5.0 5.5
V
Brown-Out Pull
Down Current
Regout
Vdd=4.5V; Regout=2V
15 25
mA
Regout Overvoltage
Clamp
*See note #2
Regout
Regsel=Vdd; Iout > 1mA
Regsel=Vss; Iout > 1mA
5.5 6.0 6.5
3.7 4.0 4.3
V
V

RE46C105
Piezoelectric Horn Driver with Voltage Regulator and LED Driver
R&E International
Product Specification
A Subsidiary of Microchip Technology
Inc.
Notes:
1/ The brown-out threshold voltage is the Vdd voltage at which the regulator will be disabled and Regout will be
pulled to Vss.
2/ In normal operation, the regulator will provide high-side current of up to 20mA, but current sinking capability is
typically under 1uA. The over-voltage clamp is intended to limit the voltage at REGOUT when it is pulled up by an
external source.
3/ The limits shown are 100% tested at 25C only. Test limits are guard-banded based on temperature
characterization to guarantee compliance at temperature extremes.
Typical Application
© 2009 Microchip Technology Inc.
DS22167A-page 3

RE46C105
Piezoelectric Horn Driver with Voltage Regulator and LED Driver
R&E International
Product Specification
A Subsidiary of Microchip Technology
Inc.
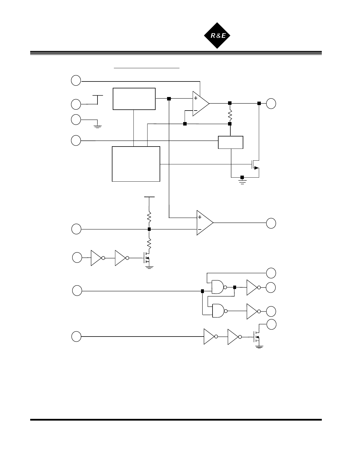
Functional Block Diagram
Vdd
1
2
3
4
6
7
11
10
9
LBSET
LBSTRB
HRNEN
LEDE
LED
HORNB
HORNS
FEED
LBOUT
Bandgap
Reference
Output
Adjust
5
13
12
VDD
REGSEL
REGOUT
Clamp &
Shutdown
Circuit
1
VSS
14
REGEN
© 2009 Microchip Technology Inc.
DS22167A-page 4

RE46C105
Piezoelectric Horn Driver with Voltage Regulator and LED Driver
R&E International
Product Specification
A Subsidiary of Microchip Technology
Inc.
Information contained in this publication regarding device
applications and the like is provided only for your convenience and
may be superseded by updates. It is your responsibility to ensure
that your application meets with your specifications. MICROCHIP
MAKES NO REPRESENTATIONS OR WARRANTIES OF ANY
KIND WHETHER EXPRESS OR IMPLIED, WRITTEN OR ORAL,
STATUTORY OR OTHERWISE, RELATED TO THE
INFORMATION, INCLUDING BUT NOT LIMITED TO ITS
CONDITION, QUALITY, PERFORMANCE, MERCHANTABILITY
OR FITNESS FOR PURPOSE. Microchip disclaims all liability
arising from this information and its use. Use of Microchip devices in
life support and/or safety applications is entirely at the buyer’s risk,
and the buyer agrees to defend, indemnify and hold harmless
Microchip from any and all damages, claims, suits, or expenses
resulting from such use. No licenses are conveyed, implicitly or
otherwise, under any Microchip intellectual property rights.
Trademarks
The Microchip name and logo, the Microchip logo, Accuron,
dsPIC, K
EE
L
OQ
, K
EE
L
OQ
logo,
MPLAB, PIC, PICmicro,
PICSTART, rfPIC, SmartShunt and UNI/O are registered
trademarks of Microchip Technology Incorporated in the U.S.A.
and other countries.
FilterLab, Hampshire, Linear Active Thermistor, MXDEV, MXLAB,
SEEVAL, SmartSensor and The Embedded Control Solutions
Company are registered trademarks of Microchip Technology
Incorporated in the U.S.A.
Analog-for-the-Digital Age, Application Maestro, CodeGuard,
dsPICDEM, dsPICDEM.net, dsPICworks, dsSPEAK, ECAN,
ECONOMONITOR, FanSense, In-Circuit Serial Programming,
ICSP, ICEPIC, Mindi, MiWi, MPASM, MPLAB Certified logo,
MPLIB, MPLINK, mTouch, nanoWatt XLP, PICkit, PICDEM,
PICDEM.net, PICtail, PIC
32
logo, PowerCal, PowerInfo,
PowerMate, PowerTool, REAL ICE, rfLAB, Select Mode, Total
Endurance, TSHARC, WiperLock and ZENA are trademarks of
Microchip Technology Incorporated in the U.S.A. and other
countries.
SQTP is a service mark of Microchip Technology Incorporated in
the U.S.A.
All other trademarks mentioned herein are property of their
respective companies.
© 2009, Microchip Technology Incorporated, Printed in the
U.S.A., All Rights Reserved.
Printed on recycled paper.
Microchip received ISO/TS-16949:2002 certification for its worldwide
headquarters, design and wafer fabrication facilities in Chandler and
Tempe, Arizona; Gresham, Oregon and design centers in California and
India. The Company’s quality system processes and procedures are for its
PIC
®
MCUs and dsPIC
®
DSCs, K
EE
L
OQ
®
code hopping devices, Serial
EEPROMs, microperipherals, nonvolatile memory and analog products. In
addition, Microchip’s quality system for the design and manufacture of
development systems is ISO 9001:2000 certified.
© 2009 Microchip Technology Inc.
DS22167A-page 5