
LM117/LM317A/LM317
3-Terminal Adjustable Regulator
General Description
The LM117 series of adjustable 3-terminal positive voltage
regulators is capable of supplying in excess of 1.5A over a
1.2V to 37V output range. They are exceptionally easy to
use and require only two external resistors to set the output
voltage. Further, both line and load regulation are better than
standard fixed regulators. Also, the LM117 is packaged in
standard transistor packages which are easily mounted and
handled.
In addition to higher performance than fixed regulators, the
LM117 series offers full overload protection available only in
IC’s. Included on the chip are current limit, thermal overload
protection and safe area protection. All overload protection
circuitry remains fully functional even if the adjustment termi-
nal is disconnected.
Normally, no capacitors are needed unless the device is situ-
ated more than 6 inches from the input filter capacitors in
which case an input bypass is needed. An optional output
capacitor can be added to improve transient response. The
adjustment terminal can be bypassed to achieve very high
ripple rejection ratios which are difficult to achieve with stan-
dard 3-terminal regulators.
Besides replacing fixed regulators, the LM117 is useful in a
wide variety of other applications. Since the regulator is
“floating” and sees only the input-to-output differential volt-
age, supplies of several hundred volts can be regulated as
long as the maximum input to output differential is not ex-
ceeded, i.e., avoid short-circuiting the output.
Also, it makes an especially simple adjustable switching
regulator, a programmable output regulator, or by connecting
a fixed resistor between the adjustment pin and output, the
LM117 can be used as a precision current regulator. Sup-
plies with electronic shutdown can be achieved by clamping
the adjustment terminal to ground which programs the out-
put to 1.2V where most loads draw little current.
For applications requiring greater output current, see LM150
series (3A) and LM138 series (5A) data sheets. For the
negative complement, see LM137 series data sheet.
Features
n
Guaranteed 1% output voltage tolerance (LM317A)
n
Guaranteed max. 0.01%/V line regulation (LM317A)
n
Guaranteed max. 0.3% load regulation (LM117)
n
Guaranteed 1.5A output current
n
Adjustable output down to 1.2V
n
Current limit constant with temperature
n
P
+
Product Enhancement tested
n
80 dB ripple rejection
n
Output is short-circuit protected
Typical Applications
LM117 Series Packages and Power
Capability
Part Number
Rated
Design
Suffix
Package
Power
Load
Dissipation
Current
K
TO-3
20W
1.5A
H
TO-39
2W
0.5A
T
TO-220
20W
1.5A
E
LCC
2W
0.5A
S
TO-263
4W
1.5A
MP
SOT-223
2W
1A
Comparison between SOT-223 and
D-Pak (TO-252) Packages
1.2V–25V Adjustable Regulator
DS009063-1
Full output current not available at high input-output voltages
*
Needed if device is more than 6 inches from filter capacitors.
†
Optional—improves transient response. Output capacitors in the range
of 1 µF to 1000 µF of aluminum or tantalum electrolytic are commonly
used to provide improved output impedance and rejection of transients.
DS009063-54
Scale 1:1
February 1998
LM1
17/LM317A/LM317
3-T
erminal
Adjustable
Regulator
© 1998 National Semiconductor Corporation
DS009063
www.national.com

Absolute Maximum Ratings
(Note 1)
If Military/Aerospace specified devices are required,
please contact the National Semiconductor Sales Office/
Distributors for availability and specifications.
Power Dissipation
Internally Limited
Input-Output Voltage Differential
+40V, −0.3V
Storage Temperature
−65˚C to +150˚C
Lead Temperature
Metal Package (Soldering, 10 seconds)
300˚C
Plastic Package (Soldering, 4 seconds)
260˚C
ESD Tolerance (Note 5)
3 kV
Operating Temperature Range
LM117
−55˚C
≤
T
J
≤
+150˚C
LM317A
−40˚C
≤
T
J
≤
+125˚C
LM317
0˚C
≤
T
J
≤
+125˚C
Preconditioning
Thermal Limit Burn-In
All Devices 100%
Electrical Characteristics
(Note 3)
Specifications with standard type face are for T
J
= 25˚C, and those with boldface type apply over full Operating Tempera-
ture Range. Unless otherwise specified, V
IN
− V
OUT
= 5V, and I
OUT
= 10 mA.
Parameter
Conditions
LM117 (Note 2)
Units
Min
Typ
Max
Reference Voltage
V
3V
≤
(V
IN
− V
OUT
)
≤
40V,
1.20
1.25
1.30
V
10 mA
≤
I
OUT
≤
I
MAX
, P
≤
P
MAX
Line Regulation
3V
≤
(V
IN
− V
OUT
)
≤
40V (Note 4)
0.01
0.02
%/V
0.02
0.05
%/V
Load Regulation
10 mA
≤
I
OUT
≤
I
MAX
(Note 4)
0.1
0.3
%
0.3
1
%
Thermal Regulation
20 ms Pulse
0.03
0.07
%/W
Adjustment Pin Current
50
100
µA
Adjustment Pin Current Change
10 mA
≤
I
OUT
≤
I
MAX
0.2
5
µA
3V
≤
(V
IN
− V
OUT
)
≤
40V
Temperature Stability
T
MIN
≤
T
J
≤
T
MAX
1
%
Minimum Load Current
(V
IN
− V
OUT
) = 40V
3.5
5
mA
Current Limit
(V
IN
− V
OUT
)
≤
15V
K Package
1.5
2.2
3.4
A
H, K Packages
0.5
0.8
1.8
A
(V
IN
− V
OUT
) = 40V
K Package
0.3
0.4
A
H, K Packages
0.15
0.2
A
RMS Output Noise, % of V
OUT
10 Hz
≤
f
≤
10 kHz
0.003
%
Ripple Rejection Ratio
V
OUT
= 10V, f = 120 Hz,
65
dB
C
ADJ
= 0 µF
V
OUT
= 10V, f = 120 Hz,
66
80
dB
C
ADJ
= 10 µF
Long-Term Stability
T
J
= 125˚C, 1000 hrs
0.3
1
%
Thermal Resistance,
K Package
2.3
3
˚C/W
Junction-to-Case
H Package
12
15
˚C/W
E Package
˚C/W
Thermal Resistance, Junction-
K Package
35
˚C/W
to-Ambient (No Heat Sink)
H Package
140
˚C/W
E Package
˚C/W
www.national.com
2

Electrical Characteristics
(Note 3)
Specifications with standard type face are for T
J
= 25˚C, and those with boldface type apply over full Operating Tempera-
ture Range. Unless otherwise specified, V
IN
− V
OUT
= 5V, and I
OUT
= 10 mA.
Parameter
Conditions
LM317A
LM317
Units
Min
Typ
Max
Min
Typ
Max
Reference Voltage
1.238
1.250
1.262
V
3V
≤
(V
IN
− V
OUT
)
≤
40V,
1.225
1.250
1.270
1.20
1.25
1.30
V
10 mA
≤
I
OUT
≤
I
MAX
, P
≤
P
MAX
Line Regulation
3V
≤
(V
IN
− V
OUT
)
≤
40V (Note 4)
0.005
0.01
0.01
0.04
%/V
0.01
0.02
0.02
0.07
%/V
Load Regulation
10 mA
≤
I
OUT
≤
I
MAX
(Note 4)
0.1
0.5
0.1
0.5
%
0.3
1
0.3
1.5
%
Thermal Regulation
20 ms Pulse
0.04
0.07
0.04
0.07
%/W
Adjustment Pin Current
50
100
50
100
µA
Adjustment Pin Current
Change
10 mA
≤
I
OUT
≤
I
MAX
0.2
5
0.2
5
µA
3V
≤
(V
IN
− V
OUT
)
≤
40V
Temperature Stability
T
MIN
≤
T
J
≤
T
MAX
1
1
%
Minimum Load Current
(V
IN
− V
OUT
) = 40V
3.5
10
3.5
10
mA
Current Limit
(V
IN
− V
OUT
)
≤
15V
K, T, S Packages
1.5
2.2
3.4
1.5
2.2
3.4
A
H Package
0.5
0.8
1.8
0.5
0.8
1.8
A
(V
IN
− V
OUT
) = 40V
K, T, S Packages
0.15
0.4
0.15
0.4
A
H Package
0.075
0.2
0.075
0.2
A
RMS Output Noise, % of V
OUT
10 Hz
≤
f
≤
10 kHz
0.003
0.003
%
Ripple Rejection Ratio
V
OUT
= 10V, f = 120 Hz,
65
65
dB
C
ADJ
= 0 µF
V
OUT
= 10V, f = 120 Hz,
66
80
66
80
dB
C
ADJ
= 10 µF
Long-Term Stability
T
J
= 125˚C, 1000 hrs
0.3
1
0.3
1
%
Thermal Resistance, Junction-
K Package
2.3
3
˚C/W
to-Case
H Package
12
15
12
15
˚C/W
T Package
4
5
4
˚C/W
Thermal Resistance, Junction-
K Package
35
35
˚C/W
to-Ambient (No Heat Sink)
H Package
140
140
˚C/W
T Package
50
50
˚C/W
S Package (Note 6)
50
50
˚C/W
Note 1: Absolute Maximum Ratings indicate limits beyond which damage to the device may occur. Operating Ratings indicate conditions for which the device is in-
tended to be functional, but do not guarantee specific performance limits. For guaranteed specifications and test conditions, see the Electrical Characteristics. The
guaranteed specifications apply only for the test conditions listed.
Note 2: Refer to RETS117H drawing for the LM117H, or the RETS117K for the LM117K military specifications.
Note 3: Although power dissipation is internally limited, these specifications are applicable for maximum power dissipations of 2W for the TO-39 and SOT-223 and
20W for the TO-3, TO-220, and TO-263. I
MAX
is 1.5A for the TO-3, TO-220, and TO-263 packages and 0.5A for the TO-39 package. All limits (i.e., the numbers in
the Min. and Max. columns) are guaranteed to National’s AOQL (Average Outgoing Quality Level).
Note 4: Regulation is measured at a constant junction temperature, using pulse testing with a low duty cycle. Changes in output voltage due to heating effects are
covered under the specifications for thermal regulation.
Note 5: Human body model, 100 pF discharged through a 1.5 k
Ω
resistor.
Note 6: If the TO-263 package is used, the thermal resistance can be reduced by increasing the PC board copper area thermally connected to the package. If the
SOT-223 package is used, the thermal resistance can be reduced by increasing the PC board copper area (see applications hints for heatsinking).
3
www.national.com

Typical Performance Characteristics
Output Capacitor = 0 µF unless otherwise noted
Load Regulation
DS009063-37
Current Limit
DS009063-38
Adjustment Current
DS009063-39
Dropout Voltage
DS009063-40
Temperature Stability
DS009063-41
Minimum Operating Current
DS009063-42
Ripple Rejection
DS009063-43
Ripple Rejection
DS009063-44
Ripple Rejection
DS009063-45
Output Impedance
DS009063-46
Line Transient Response
DS009063-47
Load Transient Response
DS009063-48
www.national.com
4

Application Hints
In operation, the LM117 develops a nominal 1.25V reference
voltage, V
REF
, between the output and adjustment terminal.
The reference voltage is impressed across program resistor
R1 and, since the voltage is constant, a constant current I
1
then flows through the output set resistor R2, giving an out-
put voltage of
Since the 100 µA current from the adjustment terminal repre-
sents an error term, the LM117 was designed to minimize
I
ADJ
and make it very constant with line and load changes.
To do this, all quiescent operating current is returned to the
output establishing a minimum load current requirement. If
there is insufficient load on the output, the output will rise.
External Capacitors
An input bypass capacitor is recommended. A 0.1 µF disc or
1 µF solid tantalum on the input is suitable input bypassing
for almost all applications. The device is more sensitive to
the absence of input bypassing when adjustment or output
capacitors are used but the above values will eliminate the
possibility of problems.
The adjustment terminal can be bypassed to ground on the
LM117 to improve ripple rejection. This bypass capacitor
prevents ripple from being amplified as the output voltage is
increased. With a 10 µF bypass capacitor 80 dB ripple rejec-
tion is obtainable at any output level. Increases over 10 µF
do not appreciably improve the ripple rejection at frequen-
cies above 120 Hz. If the bypass capacitor is used, it is
sometimes necessary to include protection diodes to prevent
the capacitor from discharging through internal low current
paths and damaging the device.
In general, the best type of capacitors to use is solid tanta-
lum. Solid tantalum capacitors have low impedance even at
high frequencies. Depending upon capacitor construction, it
takes about 25 µF in aluminum electrolytic to equal 1 µF
solid tantalum at high frequencies. Ceramic capacitors are
also good at high frequencies; but some types have a large
decrease in capacitance at frequencies around 0.5 MHz. For
this reason, 0.01 µF disc may seem to work better than a 0.1
µF disc as a bypass.
Although the LM117 is stable with no output capacitors, like
any feedback circuit, certain values of external capacitance
can cause excessive ringing. This occurs with values be-
tween 500 pF and 5000 pF. A 1 µF solid tantalum (or 25 µF
aluminum electrolytic) on the output swamps this effect and
insures stability. Any increase of the load capacitance larger
than 10 µF will merely improve the loop stability and output
impedance.
Load Regulation
The LM117 is capable of providing extremely good load
regulation but a few precautions are needed to obtain maxi-
mum performance. The current set resistor connected be-
tween the adjustment terminal and the output terminal (usu-
ally 240
Ω
) should be tied directly to the output (case) of the
regulator rather than near the load. This eliminates line
drops from appearing effectively in series with the reference
and degrading regulation. For example, a 15V regulator with
0.05
Ω
resistance between the regulator and load will have a
load regulation due to line resistance of 0.05
Ω
x I
L
. If the set
resistor is connected near the load the effective line resis-
tance will be 0.05
Ω
(1 + R2/R1) or in this case, 11.5 times
worse.
Figure 2
shows the effect of resistance between the regula-
tor and 240
Ω
set resistor.
With the TO-3 package, it is easy to minimize the resistance
from the case to the set resistor, by using two separate leads
to the case. However, with the TO-39 package, care should
be taken to minimize the wire length of the output lead. The
ground of R2 can be returned near the ground of the load to
provide remote ground sensing and improve load regulation.
Protection Diodes
When external capacitors are used with
any
IC regulator it is
sometimes necessary to add protection diodes to prevent
the capacitors from discharging through low current points
into the regulator. Most 10 µF capacitors have low enough
internal series resistance to deliver 20A spikes when
shorted. Although the surge is short, there is enough energy
to damage parts of the IC.
When an output capacitor is connected to a regulator and
the input is shorted, the output capacitor will discharge into
the output of the regulator. The discharge current depends
on the value of the capacitor, the output voltage of the regu-
lator, and the rate of decrease of V
IN
. In the LM117, this dis-
charge path is through a large junction that is able to sustain
15A surge with no problem. This is not true of other types of
positive regulators. For output capacitors of 25 µF or less,
there is no need to use diodes.
The bypass capacitor on the adjustment terminal can dis-
charge through a low current junction. Discharge occurs
when
either
the input or output is shorted. Internal to the
LM117 is a 50
Ω
resistor which limits the peak discharge cur-
rent. No protection is needed for output voltages of 25V or
DS009063-5
FIGURE 1.
DS009063-6
FIGURE 2. Regulator with Line Resistance in Output
Lead
5
www.national.com

Application Hints
(Continued)
less and 10 µF capacitance.
Figure 3
shows an LM117 with
protection diodes included for use with outputs greater than
25V and high values of output capacitance.
When a value for
θ
(H−A)
is found using the equation shown,
a heatsink must be selected that has a value that is less than
or equal to this number.
θ
(H−A)
is specified numerically by the heatsink manufacturer
in the catalog, or shown in a curve that plots temperature rise
vs power dissipation for the heatsink.
HEATSINKING TO-263 AND SOT-223 PACKAGE PARTS
Both the TO-263 (“S”) and SOT-223 (“MP”) packages use a
copper plane on the PCB and the PCB itself as a heatsink.
To optimize the heat sinking ability of the plane and PCB,
solder the tab of the package to the plane.
Figure 4
shows for the TO-263 the measured values of
θ
(J−A)
for different copper area sizes using a typical PCB with 1
ounce copper
and no solder mask over the copper area used
for heatsinking.
As shown in the figure, increasing the copper area beyond 1
square inch produces very little improvement. It should also
be observed that the minimum value of
θ
(J−A)
for the TO-263
package mounted to a PCB is 32˚C/W.
As a design aid,
Figure 5
shows the maximum allowable
power dissipation compared to ambient temperature for the
TO-263 device (assuming
θ
(J−A)
is 35˚C/W and the maxi-
mum junction temperature is 125˚C).
Figure 6
and
Figure 7
show the information for the SOT-223
package.
Figure 7
assumes a
θ
(J−A)
of 74˚C/W for 1 ounce
copper and 51˚C/W for 2 ounce copper and a maximum
junction temperature of 125˚C.
DS009063-7
D1 protects against C1
D2 protects against C2
FIGURE 3. Regulator with Protection Diodes
DS009063-55
FIGURE 4.
θ
(J−A)
vs Copper (1 ounce) Area for the
TO-263 Package
DS009063-56
FIGURE 5. Maximum Power Dissipation vs T
AMB
for
the TO-263 Package
DS009063-57
FIGURE 6.
θ
(J−A)
vs Copper (2 ounce) Area for the
SOT-223 Package
DS009063-58
FIGURE 7. Maximum Power Dissipation vs T
AMB
for
the SOT-223 Package
www.national.com
6

Application Hints
(Continued)
Please see AN1028 for power enhancement techniques to
be used with the SOT-223 package.
Schematic Diagram
Typical Applications
DS009063-8
5V Logic Regulator with Electronic Shutdown
*
DS009063-3
*Min. output
≈
1.2V
Slow Turn-On 15V Regulator
DS009063-9
7
www.national.com

Typical Applications
(Continued)
Adjustable Regulator with Improved Ripple Rejection
DS009063-10
†
Solid tantalum
*Discharges C1 if output is shorted to ground
High Stability 10V Regulator
DS009063-11
High Current Adjustable Regulator
DS009063-12
‡
Optional—improves ripple rejection
†
Solid tantalum
*Minimum load current = 30 mA
www.national.com
8

Typical Applications
(Continued)
0 to 30V Regulator
DS009063-13
Full output current not available at high input-output voltages
Power Follower
DS009063-14
5A Constant Voltage/Constant Current Regulator
DS009063-15
†
Solid tantalum
*Lights in constant current mode
9
www.national.com

Typical Applications
(Continued)
1A Current Regulator
DS009063-16
1.2V–20V Regulator with Minimum
Program Current
DS009063-17
*Minimum load current
≈
4 mA
High Gain Amplifier
DS009063-18
Low Cost 3A Switching Regulator
DS009063-19
†
Solid tantalum
*Core—Arnold A-254168-2 60 turns
www.national.com
10

Typical Applications
(Continued)
4A Switching Regulator with Overload Protection
DS009063-20
†
Solid tantalum
*Core—Arnold A-254168-2 60 turns
Precision Current Limiter
DS009063-21
Tracking Preregulator
DS009063-22
11
www.national.com

Typical Applications
(Continued)
Current Limited Voltage Regulator
DS009063-23
(Compared to LM117’s higher current limit)
—At 50 mA output only
3
⁄
4
volt of drop occurs in R
3
and R
4
Adjusting Multiple On-Card Regulators with Single Control
*
DS009063-24
*All outputs within
±
100 mV
†
Minimum load—10 mA
AC Voltage Regulator
DS009063-25
www.national.com
12

Typical Applications
(Continued)
12V Battery Charger
DS009063-26
Use of R
S
allows low charging rates with fully charged battery.
50 mA Constant Current Battery Charger
DS009063-27
Adjustable 4A Regulator
DS009063-28
13
www.national.com

Typical Applications
(Continued)
Current Limited 6V Charger
DS009063-29
*Sets peak current (0.6A for 1
Ω
)
*
*The 1000 µF is recommended to filter out input transients
Digitally Selected Outputs
DS009063-2
*
Sets maximum V
OUT
www.national.com
14

Connection Diagrams
(TO-3)
Metal Can Package
DS009063-30
CASE IS OUTPUT
Bottom View
Steel Package
Order Number LM117K STEEL
or LM317K STEEL
See NS Package Number K02A
Order Number LM117K/883
See NS Package Number K02C
(TO-39)
Metal Can Package
DS009063-31
CASE IS OUTPUT
Bottom View
Order Number LM117H,
LM117H/883,
LM317AH or LM317H
See NS Package Number H03A
(TO-220)
Plastic Package
DS009063-32
Front View
Order Number LM317AT or LM317T
See NS Package Number T03B
(TO-263) Surface-Mount Package
DS009063-35
Top View
DS009063-36
Side View
Order Number LM317AS or LM317S
See NS Package Number TS3B
Ceramic Leadless
Chip Carrier
DS009063-34
Top View
Order Number LM117E/883
See NS Package Number E20A
3-Lead SOT-223
DS009063-59
Front View
Order Part Number LM317EMP
Package Marked N01A
See NSC Package Number MA04A
15
www.national.com

16

Physical Dimensions
inches (millimeters) unless otherwise noted
Ceramic Leadless Chip Carrier
Order Number LM117E/883
NS Package Number E20A
17
www.national.com

Physical Dimensions
inches (millimeters) unless otherwise noted (Continued)
(TO-39) Metal Can Package
Order Number LM117H, LM117H/883, LM317AH or LM317H
NS Package Number H03A
TO-3 Metal Can Package (K)
Order Number LM117K STEEL,
LM117K STEEL/883, or LM317K STEEL
NS Package Number K02A
www.national.com
18

Physical Dimensions
inches (millimeters) unless otherwise noted (Continued)
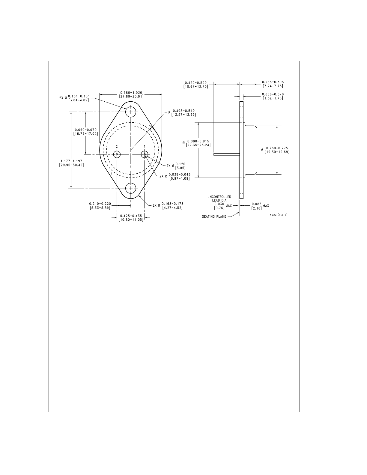
TO-3 Metal Can Package (K)
Mil-Aero Product
Order Number LM117K/883
NS Package Number K02C
19
www.national.com

Physical Dimensions
inches (millimeters) unless otherwise noted (Continued)
3-Lead SOT-223 Package
Order Number LM317EMP
NS Package Number MA04A
www.national.com
20

Physical Dimensions
inches (millimeters) unless otherwise noted (Continued)
(TO-220) Outline Drawing
Order Number LM317AT or LM317T
NS Package Number T03B
21
www.national.com

Physical Dimensions
inches (millimeters) unless otherwise noted (Continued)
LIFE SUPPORT POLICY
NATIONAL’S PRODUCTS ARE NOT AUTHORIZED FOR USE AS CRITICAL COMPONENTS IN LIFE SUPPORT DE-
VICES OR SYSTEMS WITHOUT THE EXPRESS WRITTEN APPROVAL OF THE PRESIDENT OF NATIONAL SEMI-
CONDUCTOR CORPORATION. As used herein:
1. Life support devices or systems are devices or sys-
tems which, (a) are intended for surgical implant into
the body, or (b) support or sustain life, and whose fail-
ure to perform when properly used in accordance
with instructions for use provided in the labeling, can
be reasonably expected to result in a significant injury
to the user.
2. A critical component in any component of a life support
device or system whose failure to perform can be rea-
sonably expected to cause the failure of the life support
device or system, or to affect its safety or effectiveness.
National Semiconductor
Corporation
Americas
Tel: 1-800-272-9959
Fax: 1-800-737-7018
Email: support@nsc.com
www.national.com
National Semiconductor
Europe
Fax: +49 (0) 1 80-530 85 86
Email: europe.support@nsc.com
Deutsch Tel: +49 (0) 1 80-530 85 85
English
Tel: +49 (0) 1 80-532 78 32
Français Tel: +49 (0) 1 80-532 93 58
Italiano
Tel: +49 (0) 1 80-534 16 80
National Semiconductor
Asia Pacific Customer
Response Group
Tel: 65-2544466
Fax: 65-2504466
Email: sea.support@nsc.com
National Semiconductor
Japan Ltd.
Tel: 81-3-5620-6175
Fax: 81-3-5620-6179
Order Number LM317AS or LM317S
NS Package Number TS3B
LM1
17/LM317A/LM317
3-T
erminal
Adjustable
Regulator
National does not assume any responsibility for use of any circuitry described, no circuit patent licenses are implied and National reserves the right at any time without notice to change said circuitry and specifications.