
AUIRLR3114Z
AUIRLU3114Z
V
DSS
40V
R
DS(on)
typ.
4.9m
I
D (Silicon Limited)
130A
max.
6.5m
I
D (Package Limited)
42A
Features
Advanced Process Technology
Ultra Low On-Resistance
Logic Level Gate Drive
175°C Operating Temperature
Fast Switching
Repetitive Avalanche Allowed up to Tjmax
Lead-Free, RoHS Compliant
Automotive Qualified *
Description
Specifically designed for Automotive applications, this HEXFET®
Power MOSFET utilizes the latest processing techniques to
achieve extremely low on-resistance per silicon area. Additional
features of this design are a 175°C junction operating temperature,
fast switching speed and improved repetitive avalanche rating.
These features combine to make this design an extremely efficient
and reliable device for use in Automotive applications and a wide
variety of other applications.
1
2015-10-29
HEXFET® is a registered trademark of Infineon.
*Qualification standards can be found at
www.infineon.com
AUTOMOTIVE GRADE
Symbol Parameter
Max.
Units
I
D
@ T
C
= 25°C
Continuous Drain Current, V
GS
@ 10V (Silicon Limited)
130
A
I
D
@ T
C
= 100°C
Continuous Drain Current, V
GS
@ 10V (Silicon Limited)
89
I
DM
Pulsed Drain Current 500
P
D
@T
C
= 25°C
Maximum Power Dissipation
140
W
Linear Derating Factor
0.95
W/°C
V
GS
Gate-to-Source Voltage
± 16
V
E
AS
Single Pulse Avalanche Energy (Thermally Limited) 130
E
AS
(Tested)
Single Pulse Avalanche Energy Tested Value 260
I
AR
Avalanche Current
See Fig.15,16, 12a, 12b
A
E
AR
Repetitive Avalanche Energy
mJ
T
J
Operating Junction and
-55 to + 175
T
STG
Storage Temperature Range
°C
Soldering Temperature, for 10 seconds (1.6mm from case)
300
mJ
I
D
@ T
C
= 25°C
Continuous Drain Current, V
GS
@ 10V (Package Limited)
42
Absolute Maximum Ratings
Stresses beyond those listed under “Absolute Maximum Ratings” may cause permanent damage to the device. These are stress
ratings only; and functional operation of the device at these or any other condition beyond those indicated in the specifications is not
implied. Exposure to absolute-maximum-rated conditions for extended periods may affect device reliability. The thermal resistance
and power dissipation ratings are measured under board mounted and still air conditions. Ambient temperature (TA) is 25°C, unless
otherwise specified.
Thermal Resistance
Symbol Parameter
Typ.
Max.
Units
R
JC
Junction-to-Case
–––
1.05
°C/W
R
JA
Junction-to-Ambient ( PCB Mount) –––
50
R
JA
Junction-to-Ambient
–––
110
D-Pak
AUIRLR3114Z
I-Pak
AUIRLU3114Z
Base part number
Package Type
Standard Pack
Form
Quantity
AUIRLU3114Z
I-Pak
Tube
75
AUIRLU3114Z
AUIRLR3114Z
D-Pak
Tube
75
AUIRLR3114Z
Tape and Reel Left
3000
AUIRLR3114ZTRL
Orderable Part Number
G D S
Gate Drain Source
G
S
D
D
S
G
D
HEXFET
®
Power MOSFET

AUIRLR/U3114Z
2
2015-10-29
Notes:
Repetitive rating; pulse width limited by max. junction temperature. (See fig. 11)
Limited by
T
Jmax ,
starting T
J
= 25°C, L = 0.15mH, R
G
= 25
, I
AS
= 42A, V
GS
=10V. Part not recommended for use above this value.
Pulse width
1.0ms; duty cycle 2%.
C
oss
eff. is a fixed capacitance that gives the same charging time as C
oss
while V
DS
is rising from 0 to 80% V
DSS
Limited by T
Jmax
, see Fig.12a, 12b, 15, 16 for typical repetitive avalanche performance.
This value determined from sample failure population. 100% tested to this value in production.
When mounted on 1" square PCB (FR-4 or G-10 Material). For recommended footprint and soldering techniques refer to
application note #AN-994 .
R
is measured at T
J
approximately 90°C
Calculated continuous current based on maximum allowable junction temperature. Bond wire current limit is 42A. Note that current
limitations arising from heating of the device leads may occur with some lead mounting arrangements
.
Static @ T
J
= 25°C (unless otherwise specified)
Parameter Min.
Typ.
Max.
Units
Conditions
V
(BR)DSS
Drain-to-Source Breakdown Voltage
40
––– –––
V V
GS
= 0V, I
D
= 250µA
V
(BR)DSS
/
T
J
Breakdown Voltage Temp. Coefficient
––– 0.032 ––– V/°C Reference to 25°C, I
D
= 1mA
R
DS(on)
Static Drain-to-Source On-Resistance
––– 3.9 4.9
V
GS
= 10V, I
D
= 42A
––– 5.2 6.5
V
GS
= 4.5V, I
D
= 42A
V
GS(th)
Gate Threshold Voltage
1.0
–––
2.5
V V
DS
= V
GS
, I
D
= 100µA
gfs
Forward Trans conductance
98
––– –––
S V
DS
= 10V, I
D
= 42A
I
DSS
Drain-to-Source Leakage Current
––– ––– 20
µA
V
DS
= 40 V, V
GS
= 0V
––– ––– 250
V
DS
= 40V,V
GS
= 0V,T
J
=125°C
I
GSS
Gate-to-Source Forward Leakage
–––
––– 100
nA
V
GS
= 16V
Gate-to-Source Reverse Leakage
–––
––– -100
V
GS
= -16V
Dynamic Electrical Characteristics @ T
J
= 25°C (unless otherwise specified)
Q
g
Total Gate Charge
–––
40
56
nC
I
D
= 42A
Q
gs
Gate-to-Source Charge
–––
12
–––
V
DS
= 20V
Q
gd
Gate-to-Drain Charge
–––
18
–––
V
GS
= 4.5V
t
d(on)
Turn-On Delay Time
–––
25
–––
ns
V
DD
= 20V
t
r
Rise Time
–––
140 –––
I
D
= 42A
t
d(off)
Turn-Off Delay Time
–––
33
–––
R
G
= 3.7
t
f
Fall Time
–––
50
–––
V
GS
= 4.5V
L
D
Internal Drain Inductance
–––
4.5
–––
nH
Between lead,
6mm (0.25in.)
L
S
Internal Source Inductance
–––
7.5
–––
from package
and center of die contact
C
iss
Input Capacitance
––– 3810 –––
pF
V
GS
= 0V
C
oss
Output Capacitance
–––
650 –––
V
DS
= 25V
C
rss
Reverse Transfer Capacitance
–––
350 –––
ƒ = 1.0MHz
C
oss
Output Capacitance
––– 2390 –––
V
GS
= 0V, V
DS
= 1.0V ƒ = 1.0MHz
C
oss
Output Capacitance
–––
580 –––
V
GS
= 0V, V
DS
= 32V ƒ = 1.0MHz
C
oss eff.
Effective Output Capacitance
–––
820 –––
V
GS
= 0V, V
DS
= 0V to 32V
Diode Characteristics
Parameter
Min. Typ. Max. Units
Conditions
I
S
Continuous Source Current
––– ––– 42
A
MOSFET symbol
(Body Diode)
showing the
I
SM
Pulsed Source Current
––– ––– 500
integral reverse
(Body Diode)
p-n junction diode.
V
SD
Diode Forward Voltage
–––
–––
1.3
V T
J
= 25°C,I
S
= 42A,V
GS
= 0V
t
rr
Reverse Recovery Time
–––
30
45
ns T
J
= 25°C ,I
F
= 42A, V
DD
= 20V
Q
rr
Reverse Recovery Charge
–––
27
41
nC di/dt = 100A/µs
t
on
Forward Turn-On Time
Intrinsic turn-on time is negligible (turn-on is dominated by L
S
+L
D
)
m

AUIRLR/U3114Z
3
2015-10-29
Fig. 2 Typical Output Characteristics
Fig. 3
Typical Transfer Characteristics
Fig. 4
Typical Forward Trans conductance
Vs. Drain Current
Fig. 1 Typical Output Characteristics
0.1
1
10
100
VDS, Drain-to-Source Voltage (V)
0.1
1
10
100
1000
I D
, D
ra
in
-t
o
-S
ou
rc
e
C
u
rr
en
t
(A
)
VGS
TOP 15V
10V
8.0V
4.5V
3.5V
3.0V
2.7V
BOTTOM
2.5V
60µs PULSE WIDTH
Tj = 25°C
2.5V
0.1
1
10
100
VDS, Drain-to-Source Voltage (V)
1
10
100
1000
I D
, D
ra
in
-t
o-
S
ou
rc
e
C
u
rr
en
t (
A
)
2.5V
60µs PULSE WIDTH
Tj = 175°C
VGS
TOP 15V
10V
8.0V
4.5V
3.5V
3.0V
2.7V
BOTTOM
2.5V
1
2
3
4
5
6
7
VGS, Gate-to-Source Voltage (V)
0.1
1
10
100
1000
I D
, D
ra
in
-t
o-
S
ou
rc
e
C
ur
re
nt
(A
)
TJ = 25°C
TJ = 175°C
VDS = 15V
60µs PULSE WIDTH
0
20
40
60
80
100
ID,Drain-to-Source Current (A)
0
50
100
150
200
G
fs
, F
or
w
ar
d
T
ra
ns
co
nd
uc
ta
nc
e
(S
)
TJ = 25°C
TJ = 175°C
VDS = 10V
380µs PULSE WIDTH

AUIRLR/U3114Z
4
2015-10-29
Fig 5. Typical Capacitance vs.
Drain-to-Source Voltage
Fig 6. Typical Gate Charge vs.
Gate-to-Source Voltage
Fig 8. Maximum Safe Operating Area
Fig. 7 Typical Source-to-Drain Diode
Forward Voltage
1
10
100
VDS, Drain-to-Source Voltage (V)
100
1000
10000
100000
C
, C
ap
ac
ita
nc
e
(p
F
)
VGS = 0V, f = 1 MHZ
Ciss = Cgs + Cgd, C ds SHORTED
Crss = Cgd
Coss = Cds + Cgd
Coss
Crss
Ciss
0
10
20
30
40
50
QG, Total Gate Charge (nC)
0.0
1.0
2.0
3.0
4.0
5.0
6.0
V
G
S
, G
at
e-
to
-S
ou
rc
e
V
ol
ta
ge
(
V
)
VDS= 32V
VDS= 20V
VDS= 8.0V
ID= 42A
0.0
0.5
1.0
1.5
2.0
2.5
3.0
VSD, Source-to-Drain Voltage (V)
1.0
10
100
1000
I S
D
, R
ev
er
se
D
ra
in
C
ur
re
nt
(
A
)
TJ = 25°C
TJ = 175°C
VGS = 0V
1
10
100
VDS, Drain-to-Source Voltage (V)
1
10
100
1000
10000
I D
,
D
ra
in
-t
o-
S
ou
rc
e
C
ur
re
nt
(
A
)
OPERATION IN THIS AREA
LIMITED BY R DS(on)
Tc = 25°C
Tj = 175°C
Single Pulse
100µsec
1msec
10msec
DC

AUIRLR/U3114Z
5
2015-10-29
Fig 10. Normalized On-Resistance
Vs. Temperature
Fig 11. Maximum Effective Transient Thermal Impedance, Junction-to-Case
Fig 9. Maximum Drain Current Vs.
Case Temperature
25
50
75
100
125
150
175
TC , Case Temperature (°C)
0
20
40
60
80
100
120
140
I D
,
D
ra
in
C
ur
re
nt
(
A
)
Limited By Package
-60 -40 -20 0 20 40 60 80 100120140160180
TJ , Junction Temperature (°C)
0.5
1.0
1.5
2.0
R
D
S
(o
n)
,
D
ra
in
-t
o-
S
ou
rc
e
O
n
R
es
is
ta
nc
e
(
N
or
m
al
iz
ed
)
ID = 42A
VGS = 10V
1E-006
1E-005
0.0001
0.001
0.01
0.1
t1 , Rectangular Pulse Duration (sec)
0.001
0.01
0.1
1
10
T
he
rm
al
R
es
po
ns
e
(
Z
th
JC
)
°
C
/W
0.20
0.10
D = 0.50
0.02
0.01
0.05
SINGLE PULSE
( THERMAL RESPONSE )
Notes:
1. Duty Factor D = t1/t2
2. Peak Tj = P dm x Zthjc + Tc
Ri (°C/W)
i (sec)
0.0350
0.000013
0.2867
0.004658
0.2433
0.000077
0.4851
0.001043
J
J
1
1
2
2
3
3
R
1
R
1
R
2
R
2
R
3
R
3
Ci=
iRi
Ci=
iRi
C
C
4
4
R
4
R
4

AUIRLR/U3114Z
6
2015-10-29
Fig 12c. Maximum Avalanche Energy
vs. Drain Current
Fig 12a. Unclamped Inductive Test Circuit
Fig 12b. Unclamped Inductive Waveforms
RG
IAS
0.01
tp
D.U.T
L
VDS
+
- VDD
DRIVER
A
15V
20V
tp
V
(BR)DSS
I
AS
Fig 13b. Gate Charge Test Circuit
Fig 13a. Gate Charge Waveform
Vds
Vgs
Id
Vgs(th)
Qgs1 Qgs2
Qgd
Qgodr
Fig 14. Threshold Voltage Vs. Temperature
25
50
75
100
125
150
175
Starting TJ , Junction Temperature (°C)
0
100
200
300
400
500
600
E
A
S
,
S
in
gl
e
P
ul
se
A
va
la
nc
he
E
ne
rg
y
(m
J)
ID
TOP 9.7A
17A
BOTTOM 42A
-75 -50 -25 0 25 50 75 100 125 150 175 200
TJ , Temperature ( °C )
0.5
1.0
1.5
2.0
2.5
3.0
V
G
S
(t
h)
, G
at
e
th
re
sh
ol
d
V
ol
ta
ge
(
V
)
ID = 150µA
ID = 250µA
ID = 1.0mA
ID = 1.0A

AUIRLR/U3114Z
7
2015-10-29
Fig 15. Typical Avalanche Current Vs. Pulse width
Notes on Repetitive Avalanche Curves , Figures 15, 16:
(For further info, see AN-1005 at www.infineon.com)
1. Avalanche failures assumption:
Purely a thermal phenomenon and failure occurs at a temperature far in
excess of T
jmax
. This is validated for every part type.
2. Safe operation in Avalanche is allowed as long as T
jmax
is not exceeded.
3. Equation below based on circuit and waveforms shown in Figures 12a, 12b.
4. P
D (ave)
= Average power dissipation per single avalanche pulse.
5. BV = Rated breakdown voltage (1.3 factor accounts for voltage increase
during
avalanche).
6. I
av
= Allowable avalanche current.
7.
T
=
Allowable rise in junction temperature, not to exceed
T
jmax
(assumed as
25°C in Figure 15, 16).
t
av =
Average time in avalanche.
D = Duty cycle in avalanche = t
av
·f
Z
thJC
(D, t
av
) = Transient thermal resistance, see Figures 13)
P
D (ave)
= 1/2 ( 1.3·BV·I
av
) =
T/ Z
thJC
I
av
= 2
T/ [1.3·BV·Z
th
]
E
AS (AR)
= P
D (ave)
·t
av
Fig 16. Maximum Avalanche Energy
Vs. Temperature
1.0E-06
1.0E-05
1.0E-04
1.0E-03
1.0E-02
1.0E-01
tav (sec)
0.1
1
10
100
1000
A
va
la
nc
he
C
ur
re
nt
(
A
)
0.05
Duty Cycle = Single Pulse
0.10
Allowed avalanche Current vs avalanche
pulsewidth, tav, assuming j = 25°C and
Tstart = 150°C.
0.01
Allowed avalanche Current vs avalanche
pulsewidth, tav, assuming Tj = 150°C and
Tstart =25°C (Single Pulse)
25
50
75
100
125
150
175
Starting TJ , Junction Temperature (°C)
0
50
100
150
E
A
R
,
A
va
la
nc
he
E
ne
rg
y
(m
J)
TOP Single Pulse
BOTTOM 1.0% Duty Cycle
ID = 42A

AUIRLR/U3114Z
8
2015-10-29
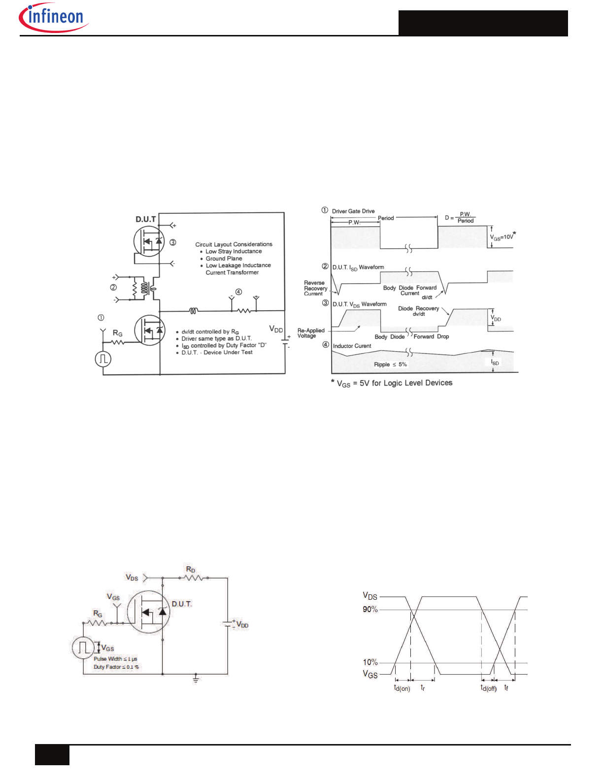
Fig 17. Peak Diode Recovery dv/dt Test Circuit for N-Channel HEXFET® Power MOSFETs
Fig 18a. Switching Time Test Circuit
Fig 18b. Switching Time Waveforms

AUIRLR/U3114Z
9
2015-10-29
Note: For the most current drawing please refer to IR website at
http://www.irf.com/package/
D-Pak (TO-252AA) Package Outline (Dimensions are shown in millimeters (inches))
YWWA
XX
XX
Date Code
Y= Year
WW= Work Week
AULR3114Z
Lot Code
Part Number
IR Logo
D-Pak (TO-252AA) Part Marking Information

AUIRLR/U3114Z
10
2015-10-29
I-Pak (TO-251AA) Part Marking Information
YWWA
XX
XX
Date Code
Y= Year
WW= Work Week
AULU3114Z
Lot Code
Part Number
IR Logo
I-Pak (TO-251AA) Package Outline (Dimensions are shown in millimeters (inches)
Note: For the most current drawing please refer to IR website at
http://www.irf.com/package/