
06/18/09
1
IR3841MPbF
Features
•
Greater than 96% Maximum Efficiency
•
Wide Input Voltage Range 1.5V to 16V
•
Wide Output Voltage Range 0.7V to 0.9*Vin
•
Continuous 8A Load Capability
•
Integrated Bootstrap-diode
•
High Bandwidth E/A for excellent transient
performance
•
Programmable Switching Frequency up to 1.5MHz
•
Programmable Over Current Protection (Hiccup)
•
PGood output
•
Precision Reference Voltage (0.7V, +/-1%)
•
Programmable Soft-Start
•
Enable Input with Voltage Monitoring Capability
•
Enhanced Pre-Bias Start-up
•
Seq input for Tracking applications
•
-40
o
C to 125
o
C operating junction temperature
•
Thermal Protection
•
Pin compatible option for 4A and 12A devices
•
5mm x 6mm Power QFN Package, 0.9 mm height
•
Lead-free, halogen-free and RoHS compliant
Applications
•
Server Applications
•
Storage Applications
•
Embedded Telecom Systems
•
Distributed Point of Load Power Architectures
Fig. 1. Typical application diagram
Description
The IR3841 SupIRBuck
TM
is an easy-to-use, fully
integrated and highly efficient DC/DC
synchronous Buck regulator. The MOSFETs co-
packaged with the on-chip PWM controller make
IR3841 a space-efficient solution, providing
accurate power delivery for low output voltage
applications.
IR3841 is a versatile regulator which offers
programmability of start up time, switching
frequency and current limit while operating in
wide input and output voltage range.
The switching frequency is programmable from
250kHz to 1.5MHz for an optimum solution.
It also features important protection functions,
such as Pre-Bias startup, hiccup current limit and
thermal shutdown to give required system level
security in the event of fault conditions.
HIGHLY EFFICIENT
INTEGRATED 8A SYNCHRONOUS BUCK REGULATOR
SupIRBuck
TM
Boot
Vcc
Fb
Comp
Gnd
PGnd
SW
OCSet
SS/ SD
4.5V <Vcc<5.5V
Vo
PGood
PGood
Enable
Rt
1.5V <Vin<16V
Vin
Seq
•
Netcom Applications
•
Computing Peripheral Voltage Regulators
•
General DC-DC Converters
PD60365

06/18/09
2
IR3841MPbF
14
13
ABSOLUTE MAXIMUM RATINGS
(Voltages referenced to GND unless otherwise specified)
•
Vin ……………………………………………………. -0.3V to 25V
•
Vcc ……………….….…………….……..……….…… -0.3V to 8V (Note2)
•
Boot ……………………………………..……….…. -0.3V to 33V
•
SW …………………………………………..……… -0.3V to 25V(DC), -4V to 25V(AC, 100ns)
•
Boot to SW ……..…………………………….…..….. -0.3V to Vcc+0.3V (Note1)
•
OCSet ………………………………………….……. -0.3V to 30V, 30mA
•
Input / output Pins ……………………………….. ... -0.3V to Vcc+0.3V (Note1)
•
PGND to GND ……………...………………………….. -0.3V to +0.3V
•
Storage Temperature Range ................................... -55°C To 150°C
•
Junction Temperature Range ................................... -40°C To 150°C (Note2)
•
ESD Classification …………………………… ……… JEDEC Class 1C
•
Moisture sensitivity level………………...………………JEDEC Level 3@260 °C
Stresses beyond those listed under “Absolute Maximum Ratings” may cause permanent damage to the
device. These are stress ratings only and functional operation of the device at these or any other
conditions beyond those indicated in the operational sections of the specifications are not implied.
Note1:
Must not exceed 8V
Note2:
Vcc must not exceed 7.5V for Junction Temperature between -10
o
C and -40
o
C
W
/
C
2
θ
W
/
C
35
θ
o
PCB
J
o
JA
=
=
-
PACKAGE INFORMATION
5mm x 6mm POWER QFN
4000
15
IR3841MTRPbF
M
750
PARTS PER
REEL
15
PIN COUNT
IR3841MTR1PbF
PACKAGE
DESCRIPTION
M
PACKAGE
DESIGNATOR
ORDERING INFORMATION
12
11
10
PGnd
15
Gnd
1
2
3
4
5
6
7
8
9
Seq FB COMP Gnd Rt SS OCSet
PGood
V
CC
Enable
Boot
V
IN
SW

06/18/09
3
IR3841MPbF
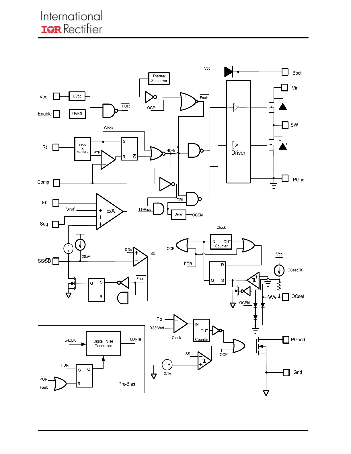
Block Diagram
Fig. 2. Simplified block diagram of the IR3841

06/18/09
4
IR3841MPbF
Pin Description
Pin
Name
Description
1 Seq
Sequence pin. Use two external resistors to set Simultaneous Power up
sequencing. If this pin is not used connect to Vcc.
2 Fb
Inverting input to the error amplifier. This pin is connected directly to the
output of the regulator via resistor divider to set the output voltage and
provide feedback to the error amplifier.
3 Comp
Output of error amplifier. An external resistor and capacitor network is
typically connected from this pin to Fb pin to provide loop
compensation.
4
Gnd
Signal ground for internal reference and control circuitry.
5 Rt
Set the switching frequency. Connect an external resistor from this pin
to Gnd to set the switching frequency.
6 SS/SD
¯¯
Soft start / shutdown. This pin provides user programmable soft-start
function. Connect an external capacitor from this pin to Gnd to set the
start up time of the output voltage. The converter can be shutdown by
pulling this pin below 0.3V.
7 OCSet
Current limit set point. A resistor from this pin to SW pin will set the
current limit threshold.
8
PGood
Power Good status pin. Output is open drain. Connect a pull up resistor
from this pin to Vcc. If unused, it can be left open.
9
V
CC
This pin powers the internal IC and the drivers. A minimum of 1uF high
frequency capacitor must be connected from this pin to the power
ground (PGnd).
10 PGnd
Power Ground. This pin serves as a separated ground for the MOSFET
drivers and should be connected to the system’s power ground plane.
11
SW
Switch node. This pin is connected to the output inductor.
12
V
IN
Input voltage connection pin.
13 Boot
Supply voltage for high side driver. A 0.1uF capacitor must be
connected from this pin to SW.
14 Enable
Enable pin to turn on and off the device. Use two external resistors to
set the turn on threshold (see Enable section). Connect this pin to Vcc if
it is not used.
15
Gnd
Signal ground for internal reference and control circuitry.

06/18/09
5
IR3841MPbF
Recommended Operating Conditions
Parameter Symbol Test
Condition
Min
TYP
MAX
Units
Power Loss
Power Loss
P
loss
Vcc=5V,
V
in
=12V, V
o
=1.8V, I
o
=8A,
Fs=600kHz, L=1uH, Note4
1.6 W
MOSFET R
ds(on)
Top Switch
R
ds(on)_Top
V
Boot
-V
sw
=5V, I
D
=10A,
Tj=25
o
C
16.7 23
Bottom Switch
R
ds(on)_Bot
V
cc
=5V, I
D
=10A,
Tj=25
o
C
8.7 12
m
Ω
Reference Voltage
Feedback Voltage
V
FB
0.7
V
0
o
C<Tj<125
o
C -1.0
+1.0
Accuracy
-40
o
C<Tj<125
o
C,
Note3
-2.0
+2.0
%
Supply Current
V
CC
Supply Current (Standby)
I
CC(Standby)
SS=0V, No Switching, Enable low
500
μA
V
cc
Supply Current (Dyn)
I
CC(Dyn)
SS=3V,
Vcc=5V,
Fs=500kHz
Enable high
12 mA
Under Voltage Lockout
V
CC
-Start-Threshold V
CC
_UVLO_Start
Vcc Rising Trip Level
4.06
4.26
4.46
V
CC
-Stop-Threshold V
CC
_UVLO_Stop
Vcc Falling Trip Level
3.76
3.96
4.16
V
CC
-Hysteresis
Vcc-Hys
Supply ramping up and down
0.25
0.3
0.38
Enable-Start-Threshold Enable_UVLO_Start
Supply ramping up
1.14
1.2
1.36
Enable-Stop-Threshold Enable_UVLO_Stop
Supply
ramping
down
0.9 1.0
1.06
Enable-Hysteresis Enable_Hys Supply
ramping
up
and
down 0.16
0.2
0.25
V
Enable leakage current
Ien
Enable=3.3V
18
μA
Electrical Specifications
Unless otherwise specified, these specification apply over 4.5V< V
cc
<5.5V, V
in
=12V, 0
o
C<T
j
< 125
o
C.
Typical values are specified at T
a
= 25
o
C.
Symbol Definition
Min
Max Units
V
in
Input
Voltage
1.5
16
V
cc
Supply
Voltage
4.5
5.5
Boot to SW
Supply Voltage
4.5
5.5
V
o
Output
Voltage
0.7 0.9*Vin
V
I
o
Output
Current
0
8
A
Fs Switching
Frequency
225
1650 kHz
T
j
Junction
Temperature -40
125
o
C

06/18/09
6
IR3841MPbF
Electrical Specifications (continued)
Unless otherwise specified, these specification apply over 4.5V< V
cc
<5.5V, V
in
=12V, 0
o
C<T
j
< 125
o
C.
Typical values are specified at T
a
= 25
o
C.
Parameter Symbol Test
Condition Min
TYP
MAX
Units
Oscillator
Rt Voltage
0.665 0.7 0.735
V
Rt=59K 225
250
275
Rt=28.7K 450
500
550
Frequency
F
S
Rt=9.31K, Note4
1350 1500 1650
kHz
Accuracy
-10
+10
%
Ramp Amplitude
Vramp
Note4
1.8
Vp-p
Ramp Offset
Ramp (os)
Note4
0.6
V
Min Pulse Width
Dmin(ctrl)
Note4
50
Fixed Off Time
Note4
130
200
ns
Max Duty Cycle
Dmax
Fs=250kHz
92
%
Error Amplifier
Input Offset Voltage
Vos
Vfb-Vseq,
Vseq=0.8V
-10 0 +10
mV
Input Bias Current
IFb(E/A)
-1
+1
Input Bias Current
IVp(E/A)
-1
+1
μA
Sink Current
Isink(E/A)
0.40
0.85
1.2
Source Current
Isource(E/A)
8
10
13
mA
Slew Rate
SR
Note4
7 12 20
V/
μs
Gain-Bandwidth Product
GBWP
Note4
20 30 40
MHz
DC Gain
Gain
Note4
100 110 120
dB
Maximum Voltage
Vmax(E/A)
Vcc=4.5V
3.4 3.5 3.7
V
Minimum Voltage
Vmin(E/A)
120
220
mV
Common Mode Voltage
Note4
0 1
V
Soft Start/SD
Soft Start Current
ISS
Source
14
20
26
μA
Soft Start Clamp Voltage
Vss(clamp)
2.7
3.0
3.3
Shutdown Output
Threshold
SD
0.3
V
Over Current Protection
Fs=250kHz 20.8
23.6
26.4
Fs=500kHz 43
48.8
54.6
OCSET Current
I
OCSET
Fs=1500kHz 136
154
172
μA
OC Comp Offset Voltage
V
OFFSET
Note4
-10 0 +10
mV
SS off time
SS_Hiccup
4096
Cycles
Bootstrap Diode
Forward Voltage
I(Boot)=30mA
180
260
470
mV

06/18/09
7
IR3841MPbF
Parameter SYM Test
Condition Min
TYP
MAX
Units
Thermal Shutdown
Thermal Shutdown
Note4
140
Hysteresis
Note4
20
o
C
Power Good
Power Good upper
Threshold
VPG+ Fb
Rising
83
88
93 %Vref
Delay Comparator
Threshold
PG(Delay)
Relative to charge voltage, SS rising
2
2.1
2.3
V
Delay Comparator
Hysteresis
Delay(hys)
Note4
260 300 340 mV
PGood Voltage Low
PG(voltage)
I
PGood
=-5mA
0.5
V
PGood Comparator
Delay
PG(Delay)
256/Fs
s
Leakage Current
I
leakage
0
10
μA
Switch Node
SW=0V, Enable=0V
3
SW Bias Current
Isw
SW=0V,Enable=high,SS=3V,Seq=0V,
Note4
40
μA
Note3: Cold temperature performance is guaranteed via correlation using statistical quality control. Not tested in production.
Note4: Guaranteed by Design but not tested in production.
Electrical Specifications (continued)
Unless otherwise specified, these specification apply over 4.5V< V
cc
<5.5V, V
in
=12V, 0
o
C<T
j
< 125
o
C.
Typical values are specified at T
a
= 25
o
C.

06/18/09
8
IR3841MPbF
TYPICAL OPERATING CHARACTERISTICS (-40
o
C - 125
o
C)
Icc(Dyn)
7.0
8.0
9.0
10.0
11.0
12.0
13.0
14.0
15.0
-40
-20
0
20
40
60
80
100
120
Te m p[oC]
[m
A
]
Icc(Standby)
180.0
200.0
220.0
240.0
-40
-20
0
20
40
60
80
100
120
Te m p[oC]
[u
A
]
V fb
696.0
696.5
697.0
697.5
698.0
698.5
699.0
699.5
700.0
700.5
701.0
-40
-20
0
20
40
60
80
100
120
Te m p[oC]
[m
V
]
ISS
21.0
21.5
22.0
22.5
23.0
23.5
24.0
- 40
- 20
0
20
40
60
80
100
120
T e m p [ o C ]
[u
A
]
FREQUENCY
490.0
492.0
494.0
496.0
498.0
500.0
502.0
504.0
506.0
508.0
510.0
-40
-20
0
20
40
60
80
100
120
Te m p[oC]
[kH
z]
IOCSET(500k Hz)
48.6
48.8
49.0
49.2
49.4
49.6
49.8
50.0
50.2
50.4
50.6
-40
-20
0
20
40
60
80
100
120
Te m p[oC]
[u
A
]
V cc(UV LO) Star t
4.20
4.22
4.24
4.26
4.28
4.30
4.32
4.34
4.36
-40
-20
0
20
40
60
80
100
120
Te m p[oC]
[V
]
V cc(UV LO) Stop
3.94
3.95
3.96
3.97
3.98
3.99
4.00
-40
-20
0
20
40
60
80
100
120
Te m p[oC]
[V
]
Enable (UV LO) Star t
1.200
1.205
1.210
1.215
1.220
1.225
1.230
1.235
1.240
-40
-20
0
20
40
60
80
100
120
Te m p[oC]
[V
]
Enable (UV LO) Stop
1.000
1.005
1.010
1.015
1.020
1.025
1.030
-40
-20
0
20
40
60
80
100
120
Te m p[oC]
[V
]

06/18/09
9
IR3841MPbF
Typical Efficiency and Power Loss Curves
Vin=12V, Vcc=5V, Io=1A-8A, Room Temperature, No Air Flow
The table below shows the inductors used for each of the output voltages
in the efficiency measurement.
81
83
85
87
89
91
93
95
97
1
2
3
4
5
6
7
8
Load C urrent (A)
E
ffi
c
ie
n
c
y
(%
)
1V out
1.2V out
1.5V out
1.8Vout
3.3V out
5V out
0.2
0.3
0.4
0.5
0.6
0.7
0.8
0.9
1.0
1.1
1.2
1.3
1.4
1.5
1.6
1.7
1.8
1.9
1
2
3
4
5
6
7
8
Load C urrent (A)
Po
w
e
r L
o
s
s
(
W
)
1V out
1.2V out
1.5V out
1.8V out
3.3V out
5V out
2.5
MPL105-1R0
1
3.3
2.5
MPL105-1R0
1
5
2.5
MPL105-1R0
1
1.8
1.1
ETQP4LR36WFC
0.36
1.5
1.1
ETQP4LR36WFC
0.36
1.2
1.1
ETQP4LR36WFC
0.36
1
DCR
(mΩ)
P/N
L (uH)
Vout (V)
2.5
MPL105-1R0
1
3.3
2.5
MPL105-1R0
1
5
2.5
MPL105-1R0
1
1.8
1.1
ETQP4LR36WFC
0.36
1.5
1.1
ETQP4LR36WFC
0.36
1.2
1.1
ETQP4LR36WFC
0.36
1
DCR
(mΩ)
P/N
L (uH)
Vout (V)

06/18/09
10
IR3841MPbF
Typical Efficiency and Power Loss Curves
Vin=5V, Vcc=5V, Io=1A-8A, Fs=600kHz, Room Temperature, No Air Flow
For all the output voltages, L=0.51uH (DCR=0.29 mΩ, P/N: 59PR9876N)
82
84
86
88
90
92
94
96
1.0
1.5
2.0
2.5
3.0
3.5
4.0
4.5
5.0
5.5
6.0
6.5
7.0
7.5
8.0
Load Current (A)
Eff
iciency (%)
0.7Vout
0.75Vout
0.9Vout
1.0Vout
1.1Vout
1.2Vout
1.5Vout
1.8Vout
2.5Vout
3.3Vout
0.1
0.3
0.5
0.7
0.9
1.1
1.3
1.5
1
2
3
4
5
6
7
8
Load Current (A)
Po
wer Loss (W)
0.7Vout
0.75Vout
0.9Vout
1.0Vout
1.1Vout
1.2Vout
1.5Vout
1.8Vout
2.5Vout
3.3Vout