
©
2007 Microchip Technology Inc.
DS22070A-page 1
MCP1824/MCP1824S
Features
• 300 mA Output Current Capability
• Input Operating Voltage Range: 2.1V to 6.0V
• Adjustable Output Voltage Range: 0.8V to 5.0V
(MCP1824 only)
• Standard Fixed Output Voltages:
- 0.8V, 1.2V, 1.8V, 2.5V, 3.0V, 3.3V, 5.0V
• Other Fixed Output Voltage Options Available
Upon Request
• Low Dropout Voltage: 200 mV Typical at 300 mA
• Typical Output Voltage Tolerance: 0.4%
• Stable with 1.0 µF Ceramic Output Capacitor
• Fast Response to Load Transients
• Low Supply Current: 120 µA (typical)
• Low Shutdown Supply Current: 0.1 µA (typical)
(MCP1824 only)
• Fixed Delay on Power Good Output
(MCP1824 only)
• Short Circuit Current Limiting and
Overtemperature Protection
• 5-Lead Plastic SOT-223, SOT-23 Package
Options (MCP1824)
• 3-Lead Plastic SOT-223 Package Option
(MCP1824S)
Applications
• High-Speed Driver Chipset Power
• Networking Backplane Cards
• Notebook Computers
• Network Interface Cards
• Palmtop Computers
• 2.5V to 1.XV Regulators
Description
The MCP1824/MCP1824S is a 300 mA Low Dropout
(LDO) linear regulator that provides high current and
low output voltages. The MCP1824 comes in a fixed or
adjustable output voltage version, with an output
voltage range of 0.8V to 5.0V. The 300 mA output
current capability, combined with the low output voltage
capability, make the MCP1824 a good choice for new
sub-1.8V output voltage LDO applications that have
high current demands. The MCP1824S is a 3-pin fixed
voltage version.
The MCP1824/MCP1824S is stable using ceramic
output capacitors that inherently provide lower output
noise and reduce the size and cost of the entire
regulator solution. Only 1 µF of output capacitance is
needed to stabilize the LDO.
Using CMOS construction, the quiescent current
consumed by the MCP1824/MCP1824S is typically
less than 120 µA over the entire input voltage range,
making it attractive for portable computing applications
that demand high output current. The MCP1824
versions have a Shutdown (SHDN) pin. When shut
down, the quiescent current is reduced to less than
0.1 µA.
On the MCP1824 fixed output versions, the scaled-
down output voltage is internally monitored and a
power good (PWRGD) output is provided when the
output is within 92% of regulation (typical). The
PWRGD delay is internally fixed at 110 µs (typical).
The overtemperature and short circuit current-limiting
provide additional protection for the LDO during system
fault conditions.
300 mA, Low Voltage, Low Quiescent Current LDO Regulator

MCP1824/MCP1824S
DS22070A-page 2
©
2007 Microchip Technology Inc.
Package Types
MCP1824
1
2
3
4
5
6
SOT-223-5
SOT-223
SOT-23
Pin
Fixed
Adjustable
Fixed
Adjustable
1
SHDN
SHDN
V
IN
V
IN
2
V
IN
V
IN
GND (TAB)
GND (TAB)
3
GND (TAB)
GND (TAB)
SHDN
SHDN
4
V
OUT
V
OUT
PWRGD
ADJ
5
PWRGD
ADJ
V
OUT
V
OUT
6
GND (TAB)
GND (TAB)
—
—
1
2
3
SOT-223-3
4
MCP1824S
Pin
SOT-223
1
V
IN
2
GND (TAB)
3
V
OUT
4
GND (TAB)
Fixed/Adjustable
SOT-23-5
1
2
3
5
4

©
2007 Microchip Technology Inc.
DS22070A-page 3
MCP1824/MCP1824S
Typical Applications
MCP1824 Adjustable Output Voltage
MCP1824 Fixed Output Voltage
V
OUT
= 1.8V @ 300 mA
V
IN
= 2.3V to 2.8V
On
Off
1 µF
100 k
Ω
4.7 µF
C
1
C
2
R
1
SHDN
V
IN
GND
V
OUT
PWRGD
20 k
Ω
R
2
V
OUT
= 1.2V @ 300 mA
V
IN
= 2.1V to 2.8V
On
Off
1 µF
40 k
Ω
4.7 µF
C
1
C
2
R
1
SHDN
V
IN
GND
V
OUT
V
ADJ
1
1

MCP1824/MCP1824S
DS22070A-page 4
©
2007 Microchip Technology Inc.
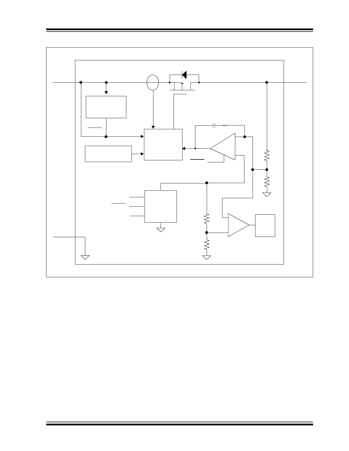
Functional Block Diagram - Adjustable Output
(MCP1824)
EA
+
–
V
OUT
PMOS
R
f
C
f
I
SNS
Overtemperature
V
REF
Comp
92% of V
REF
T
DELAY
V
IN
Driver w/limit
and SHDN
GND
Soft-Start
ADJ/SENSE
Undervoltage
Lock Out
VIN
Reference
SHDN
SHDN
SHDN
Sensing
(UVLO)

©
2007 Microchip Technology Inc.
DS22070A-page 5
MCP1824/MCP1824S
Functional Block Diagram - Fixed Output (MCP1824S)
EA
+
–
V
OUT
PMOS
R
f
C
f
I
SNS
Overtemperature
V
REF
Comp
92% of V
REF
T
DELAY
V
IN
Driver w/limit
and SHDN
GND
Soft-Start
Sense
Undervoltage
Lock Out
VIN
Reference
SHDN
SHDN
SHDN
Sensing
(UVLO)

MCP1824/MCP1824S
DS22070A-page 6
©
2007 Microchip Technology Inc.
Functional Block Diagram - Fixed Output (MCP1824)
EA
+
–
V
OUT
PMOS
R
f
C
f
I
SNS
Overtemperature
V
REF
Comp
92% of V
REF
T
DELAY
V
IN
Driver w/limit
and SHDN
GND
Soft-Start
Sense
Undervoltage
Lock Out
VIN
Reference
SHDN
SHDN
SHDN
Sensing
(UVLO)
PWRGD

©
2007 Microchip Technology Inc.
DS22070A-page 7
MCP1824/MCP1824S
1.0
ELECTRICAL
CHARACTERISTICS
Absolute Maximum Ratings †
Input Voltage, V
IN
.............................................................6.5V
Maximum Voltage on Any Pin ... (GND – 0.3V) to (V
IN
+ 0.3)V
Maximum Power Dissipation......... Internally-Limited (Note 6)
Output Short Circuit Duration ................................ Continuous
Storage temperature .....................................-65°C to +150°C
Maximum Junction Temperature, T
J
........................... +150°C
Operating Junction Temperature, T
J
.............-40°C to +125°C
EESD protection on all pins
........... ≥
4 kV HBM;
≥
300V MM
† Notice: Stresses above those listed under “Maximum Rat-
ings” may cause permanent damage to the device. This is a
stress rating only and functional operation of the device at
those or any other conditions above those indicated in the
operational listings of this specification is not implied. Expo-
sure to maximum rating conditions for extended periods may
affect device reliability.
AC/DC CHARACTERISTICS
Electrical Specifications: Unless otherwise noted, V
IN
= V
OUT(MAX)
+ V
DROPOUT(MAX)
, Note 1, V
R
= 1.8V for Adjustable Output,
I
OUT
= 1 mA, C
IN
= C
OUT
= 4.7 µF (X7R Ceramic), T
A
= +25°C.
Boldface type applies for junction temperatures, T
J
(Note 7) of -40°C to +125°C
Parameters
Sym
Min
Typ
Max
Units
Conditions
Input Operating Voltage
V
IN
2.1
—
6.0
V
Output Voltage Range
V
OUT
0.8
—
5.0
V
Input Quiescent Current
I
q
—
120
220
µA
I
L
= 0 mA, V
OUT
= 0.8V to
5.0V
Input Quiescent Current for
SHDN Mode
I
SHDN
—
0.1
3
µA
SHDN = GND
Maximum Continuous Output
Current
I
OUT
300
—
—
mA
V
IN
= 2.1V to 6.0V
V
R
= 0.8V to 5.0V
Line Regulation
Δ
V
OUT
/
(V
OUT
x
Δ
V
IN
)
—
±0.05
±0.17
%/V
(Note 1)
≤
V
IN
≤
6V
Load Regulation
Δ
V
OUT
/V
OUT
-1.0
±0.5
1.0
%
I
OUT
= 1 mA to 300 mA,
(Note 4)
Output Short Circuit Current
I
OUT_SC
—
720
—
mA
R
LOAD
< 0.1
Ω
, Peak Current
Dropout Voltage
V
DROPOUT
—
200
320
mV
Note 5, I
OUT
= 300 mA,
V
IN(MIN)
= 2.1V
Pulsed Applications
Maximum Pulsed Output
Current
I
PULSE
—
500
—
mA
V
IN
= 2.1V to 6.0V
V
R
= 0.8V to 5.0V,
Duty Cycle
≤ 60%,
Period < 10 ms
Note
1:
The minimum V
IN
must meet two conditions: V
IN
≥
2.1V and V
IN
≥
V
OUT(MAX)
+
V
DROPOUT(MAX).
2:
V
R
is the nominal regulator output voltage for the fixed cases. V
R
= 1.2V, 1.8V, etc. V
R
is the desired set point output
voltage for the adjustable cases. V
R
= V
ADJ
*
((R
1
/R
2
)+1).
Figure 4-1
.
3:
TCV
OUT
= (V
OUT-HIGH
– V
OUT-LOW
) *10
6
/ (V
R
*
Δ
Temperature). V
OUT-HIGH
is the highest voltage measured over the
temperature range. V
OUT-LOW
is the lowest voltage measured over the temperature range.
4:
Load regulation is measured at a constant junction temperature using low duty-cycle pulse testing. Load regulation is
tested over a load range from 1 mA to the maximum specified output current.
5:
Dropout voltage is defined as the input-to-output voltage differential at which the output voltage drops 2% below its
nominal value that was measured with an input voltage of V
IN
= V
OUT(MAX)
+ V
DROPOUT(MAX)
.
6:
The maximum allowable power dissipation is a function of ambient temperature, the maximum allowable junction
temperature and the thermal resistance from junction to air. (i.e., T
A
, T
J
,
θ
JA
). Exceeding the maximum allowable power
dissipation will cause the device operating junction temperature to exceed the maximum +150°C rating. Sustained
junction temperatures above 150°C can impact device reliability.
7:
The junction temperature is approximated by soaking the device under test at an ambient temperature equal to the
desired junction temperature. The test time is small enough such that the rise in the junction temperature over the
ambient temperature is not significant.

MCP1824/MCP1824S
DS22070A-page 8
©
2007 Microchip Technology Inc.
Maximum Pulsed Output Duty
Cycle
I
PULSE_DUTY
—
—
60
%
V
IN
= 2.1V to 6.0V,
V
R
= 0.8V to 5.0V,
I
OUT
= 500 mA,
Period < 10 ms
Maximum Pulsed Output Period
I
PULSE_PERIOD
—
—
10
ms
V
IN
= 2.1V to 6.0V
V
R
= 0.8V to 5.0V,
I
OUT
= 500 mA
Adjust Pin Characteristics (Adjustable Output Only)
Adjustable Output Voltage
Range
V
OUT_ADJ
0.8
—
5.5
V
Adjust Pin Reference Voltage
V
ADJ
0.402
0.410
0.418
V
V
IN
= 2.1V to V
IN
= 6.0V,
I
OUT
= 1 mA
Adjust Pin Leakage Current
I
ADJ
-10
±0.01
+10
nA
V
IN
= 6.0V, V
ADJ
= 0V to 6V
Adjust Temperature Coefficient
TCV
OUT
—
40
—
ppm/°C
Note 3
Fixed-Output Characteristics (Fixed Output Only)
Voltage Regulation
V
OUT
V
R
- 2.5%
V
R
±0.5%
V
R
+ 2.5%
V
Note 2
Power Good Characteristics
PWRGD Input Voltage Operat-
ing Range
V
PWRGD_VIN
1.0
—
6.0
V
T
A
= +25°C
1.2
—
6.0
T
A
= -40°C to +125°C
For V
IN
< 2.1V, I
SINK
= 100 µA
PWRGD Threshold Voltage
(Referenced to V
OUT
)
V
PWRGD_TH
%V
OUT
Falling Edge
89
92
95
V
OUT
< 2.5V Fixed,
V
OUT
= Adj.
90
92
94
V
OUT
>= 2.5V Fixed
PWRGD Threshold Hysteresis
V
PWRGD_HYS
1.0
2.0
3.0
%V
OUT
PWRGD Output Voltage Low
V
PWRGD_L
—
0.05
0.4
V
I
PWRGD
SINK
= 1.2 mA,
ADJ = 0V
PWRGD Output Current Sink
Capability
I
PWRGD
1.2
6.0
—
mA
V
PWRGD
= 0.200V
PWRGD Leakage
P
WRGD
_
LK
—
1
—
nA
V
PWRGD
= V
IN
= 6.0V
PWRGD Time Delay
T
PG
—
110
—
µs
Rising Edge
R
PULLUP
= 10 k
Ω
AC/DC CHARACTERISTICS (CONTINUED)
Electrical Specifications: Unless otherwise noted, V
IN
= V
OUT(MAX)
+ V
DROPOUT(MAX)
, Note 1, V
R
= 1.8V for Adjustable Output,
I
OUT
= 1 mA, C
IN
= C
OUT
= 4.7 µF (X7R Ceramic), T
A
= +25°C.
Boldface type applies for junction temperatures, T
J
(Note 7) of -40°C to +125°C
Parameters
Sym
Min
Typ
Max
Units
Conditions
Note
1:
The minimum V
IN
must meet two conditions: V
IN
≥
2.1V and V
IN
≥
V
OUT(MAX)
+
V
DROPOUT(MAX).
2:
V
R
is the nominal regulator output voltage for the fixed cases. V
R
= 1.2V, 1.8V, etc. V
R
is the desired set point output
voltage for the adjustable cases. V
R
= V
ADJ
*
((R
1
/R
2
)+1).
Figure 4-1
.
3:
TCV
OUT
= (V
OUT-HIGH
– V
OUT-LOW
) *10
6
/ (V
R
*
Δ
Temperature). V
OUT-HIGH
is the highest voltage measured over the
temperature range. V
OUT-LOW
is the lowest voltage measured over the temperature range.
4:
Load regulation is measured at a constant junction temperature using low duty-cycle pulse testing. Load regulation is
tested over a load range from 1 mA to the maximum specified output current.
5:
Dropout voltage is defined as the input-to-output voltage differential at which the output voltage drops 2% below its
nominal value that was measured with an input voltage of V
IN
= V
OUT(MAX)
+ V
DROPOUT(MAX)
.
6:
The maximum allowable power dissipation is a function of ambient temperature, the maximum allowable junction
temperature and the thermal resistance from junction to air. (i.e., T
A
, T
J
,
θ
JA
). Exceeding the maximum allowable power
dissipation will cause the device operating junction temperature to exceed the maximum +150°C rating. Sustained
junction temperatures above 150°C can impact device reliability.
7:
The junction temperature is approximated by soaking the device under test at an ambient temperature equal to the
desired junction temperature. The test time is small enough such that the rise in the junction temperature over the
ambient temperature is not significant.

©
2007 Microchip Technology Inc.
DS22070A-page 9
MCP1824/MCP1824S
Detect Threshold to PWRGD
Active Time Delay
T
VDET-PWRGD
—
200
—
µs
V
OUT
= V
PWRGD_TH
+ 50 mV
to V
PWRGD_TH
- 50 mV
Shutdown Input
Logic High Input
V
SHDN-HIGH
45
—
—
%V
IN
V
IN
= 2.1V to 6.0V
Logic Low Input
V
SHDN-LOW
—
—
15
%V
IN
V
IN
= 2.1V to 6.0V
SHDN Input Leakage Current
SHDN
ILK
-0.1
±0.001
+0.1
µA
V
IN
= 6V, SHDN =V
IN
,
SHDN = GND
AC Performance
Output Delay From SHDN
T
OR
—
100
—
µs
SHDN = GND to V
IN
,
V
OUT
= GND to 95% V
R
Output Noise
e
N
—
2.0
—
µV/
√
Hz
I
OUT
= 200 mA, f = 1 kHz,
C
OUT
= 10 µF (X7R Ceramic),
V
OUT
= 2.5V
Power Supply Ripple Rejection
Ratio
PSRR
—
55
—
dB
f = 100 Hz,
I
OUT
= 10 mA,
V
INAC
= 200 mV pk-pk,
C
IN
= 0 µF
Thermal Shutdown Temperature
T
SD
—
150
—
°C
I
OUT
= 100 µA, V
OUT
= 1.8V,
V
IN
= 2.8V
Thermal Shutdown Hysteresis
Δ
T
SD
—
10
—
°C
I
OUT
= 100 µA, V
OUT
= 1.8V,
V
IN
= 2.8V
AC/DC CHARACTERISTICS (CONTINUED)
Electrical Specifications: Unless otherwise noted, V
IN
= V
OUT(MAX)
+ V
DROPOUT(MAX)
, Note 1, V
R
= 1.8V for Adjustable Output,
I
OUT
= 1 mA, C
IN
= C
OUT
= 4.7 µF (X7R Ceramic), T
A
= +25°C.
Boldface type applies for junction temperatures, T
J
(Note 7) of -40°C to +125°C
Parameters
Sym
Min
Typ
Max
Units
Conditions
Note
1:
The minimum V
IN
must meet two conditions: V
IN
≥
2.1V and V
IN
≥
V
OUT(MAX)
+
V
DROPOUT(MAX).
2:
V
R
is the nominal regulator output voltage for the fixed cases. V
R
= 1.2V, 1.8V, etc. V
R
is the desired set point output
voltage for the adjustable cases. V
R
= V
ADJ
*
((R
1
/R
2
)+1).
Figure 4-1
.
3:
TCV
OUT
= (V
OUT-HIGH
– V
OUT-LOW
) *10
6
/ (V
R
*
Δ
Temperature). V
OUT-HIGH
is the highest voltage measured over the
temperature range. V
OUT-LOW
is the lowest voltage measured over the temperature range.
4:
Load regulation is measured at a constant junction temperature using low duty-cycle pulse testing. Load regulation is
tested over a load range from 1 mA to the maximum specified output current.
5:
Dropout voltage is defined as the input-to-output voltage differential at which the output voltage drops 2% below its
nominal value that was measured with an input voltage of V
IN
= V
OUT(MAX)
+ V
DROPOUT(MAX)
.
6:
The maximum allowable power dissipation is a function of ambient temperature, the maximum allowable junction
temperature and the thermal resistance from junction to air. (i.e., T
A
, T
J
,
θ
JA
). Exceeding the maximum allowable power
dissipation will cause the device operating junction temperature to exceed the maximum +150°C rating. Sustained
junction temperatures above 150°C can impact device reliability.
7:
The junction temperature is approximated by soaking the device under test at an ambient temperature equal to the
desired junction temperature. The test time is small enough such that the rise in the junction temperature over the
ambient temperature is not significant.

MCP1824/MCP1824S
DS22070A-page 10
©
2007 Microchip Technology Inc.
TEMPERATURE SPECIFICATIONS
Parameters
Sym
Min
Typ
Max
Units
Conditions
Temperature Ranges
Operating Junction Temperature Range
T
J
-40
—
+125
°C
Steady State
Maximum Junction Temperature
T
J
—
—
+150
°C
Transient
Storage Temperature Range
T
A
-65
—
+150
°C
Thermal Package Resistances
Thermal Resistance, 3LD SOT-223
θ
JA
—
62
—
°C/W
EIA/JEDEC JESD51-751-7
4 Layer Board
θ
JC
—
15
—
Thermal Resistance, 5LD SOT-23
θ
JA
—
256
—
°C/W
EIA/JEDEC JESD51-751-7
4 Layer Board
θ
JC
—
81
—
Thermal Resistance, 5LD SOT-223
θ
JA
—
62
—
°C/W
EIA/JEDEC JESD51-751-7
4 Layer Board
θ
JC
—
15
—