
This is a summary document.
The complete document is
available on the Atmel website
at www.atmel.com.
6175KS–ATARM–25-Oct-12
Features
•
Incorporates the ARM7TDMI
®
ARM
®
Thumb
®
Processor
– High-performance 32-bit RISC Architecture
– High-density 16-bit Instruction Set
– Leader in MIPS/Watt
– EmbeddedICE
™
In-circuit Emulation, Debug Communication Channel Support
•
Internal High-speed Flash
– 512 Kbytes (SAM7S512) Organized in Two Contiguous Banks of 1024 Pages of 256
Bytes (Dual Plane)
– 256 Kbytes (SAM7S256) Organized in 1024 Pages of 256 Bytes (Single Plane)
– 128 Kbytes (SAM7S128) Organized in 512 Pages of 256 Bytes (Single Plane)
– 64 Kbytes (SAM7S64) Organized in 512 Pages of 128 Bytes (Single Plane)
– 32 Kbytes (SAM7S321/32) Organized in 256 Pages of 128 Bytes (Single Plane)
– 16 Kbytes (SAM7S161/16) Organized in 256 Pages of 64 Bytes (Single Plane)
– Single Cycle Access at Up to 30 MHz in Worst Case Conditions
– Prefetch Buffer Optimizing Thumb Instruction Execution at Maximum Speed
– Page Programming Time: 6 ms, Including Page Auto-erase, Full Erase Time: 15 ms
– 10,000 Write Cycles, 10-year Data Retention Capability, Sector Lock Capabilities, Flash
Security Bit
– Fast Flash Programming Interface for High Volume Production
•
Internal High-speed SRAM, Single-cycle Access at Maximum Speed
– 64 Kbytes (SAM7S512/256)
– 32 Kbytes (SAM7S128)
– 16 Kbytes (SAM7S64)
– 8 Kbytes (SAM7S321/32)
– 4 Kbytes (SAM7S161/16)
•
Memory Controller (MC)
– Embedded Flash Controller, Abort Status and Misalignment Detection
•
Reset Controller (RSTC)
– Based on Power-on Reset and Low-power Factory-calibrated Brown-out Detector
– Provides External Reset Signal Shaping and Reset Source Status
•
Clock Generator (CKGR)
– Low-power RC Oscillator, 3 to 20 MHz On-chip Oscillator and one PLL
•
Power Management Controller (PMC)
– Software Power Optimization Capabilities, Including Slow Clock Mode (Down to 500
Hz) and Idle Mode
– Three Programmable External Clock Signals
•
Advanced Interrupt Controller (AIC)
– Individually Maskable, Eight-level Priority, Vectored Interrupt Sources
– Two (SAM7S512/256/128/64/321/161) or One (SAM7S32/16) External Interrupt Source(s)
and One Fast Interrupt Source, Spurious Interrupt Protected
AT91SAM
ARM-based Flash MCU
SAM7S512 SAM7S256 SAM7S128 SAM7S64
SAM7S321 SAM7S32 SAM7S161 SAM7S16
Summary

2
SAM7S Series [DATASHEET]
6175KS–ATARM–25-Oct-12
•
Debug Unit (DBGU)
– 2-wire UART and Support for Debug Communication Channel interrupt, Programmable ICE Access Prevention
– Mode for General Purpose 2-wire UART Serial Communication
•
Periodic Interval Timer (PIT)
– 20-bit Programmable Counter plus 12-bit Interval Counter
•
Windowed Watchdog (WDT)
– 12-bit key-protected Programmable Counter
– Provides Reset or Interrupt Signals to the System
– Counter May Be Stopped While the Processor is in Debug State or in Idle Mode
•
Real-time Timer (RTT)
– 32-bit Free-running Counter with Alarm
– Runs Off the Internal RC Oscillator
•
One Parallel Input/Output Controller (PIOA)
– Thirty-two (SAM7S512/256/128/64/321/161) or twenty-one (SAM7S32/16) Programmable I/O Lines Multiplexed with up to
Two Peripheral I/Os
– Input Change Interrupt Capability on Each I/O Line
– Individually Programmable Open-drain, Pull-up resistor and Synchronous Output
•
Eleven (SAM7S512/256/128/64/321/161) or Nine (SAM7S32/16) Peripheral DMA Controller (PDC) Channels
•
One USB 2.0 Full Speed (12 Mbits per Second) Device Port (Except for the SAM7S32/16).
– On-chip Transceiver, 328-byte Configurable Integrated FIFOs
•
One Synchronous Serial Controller (SSC)
– Independent Clock and Frame Sync Signals for Each Receiver and Transmitter
– I²S Analog Interface Support, Time Division Multiplex Support
– High-speed Continuous Data Stream Capabilities with 32-bit Data Transfer
•
Two (SAM7S512/256/128/64/321/161) or One (SAM7S32/16) Universal Synchronous/Asynchronous Receiver Transmitters
(USART)
– Individual Baud Rate Generator, IrDA
®
Infrared Modulation/Demodulation
– Support for ISO7816 T0/T1 Smart Card, Hardware Handshaking, RS485 Support
– Full Modem Line Support on USART1 (SAM7S512/256/128/64/321/161)
•
One Master/Slave Serial Peripheral Interface (SPI)
– 8- to 16-bit Programmable Data Length, Four External Peripheral Chip Selects
•
One Three-channel 16-bit Timer/Counter (TC)
– Three External Clock Input and Two Multi-purpose I/O Pins per Channel (SAM7S512/256/128/64/321/161)
– One External Clock Input and Two Multi-purpose I/O Pins for the first Two Channels Only (SAM7S32/16)
– Double PWM Generation, Capture/Waveform Mode, Up/Down Capability
•
One Four-channel 16-bit PWM Controller (PWMC)
•
One Two-wire Interface (TWI)
– Master Mode Support Only, All Two-wire Atmel EEPROMs and I
2
C Compatible Devices Supported
(SAM7S512/256/128/64/321/32)
– Master, Multi-Master and Slave Mode Support, All Two-wire Atmel EEPROMs and I
2
C Compatible Devices Supported
(SAM7S161/16)
•
One 8-channel 10-bit Analog-to-Digital Converter, Four Channels Multiplexed with Digital I/Os
•
SAM-BA
™
Boot Assistant
– Default Boot program
– Interface with SAM-BA Graphic User Interface
•
IEEE
®
1149.1 JTAG Boundary Scan on All Digital Pins
•
5V-tolerant I/Os, including Four High-current Drive I/O lines, Up to 16 mA Each (SAM7S161/16 I/Os Not 5V-tolerant)
•
Power Supplies
– Embedded 1.8V Regulator, Drawing up to 100 mA for the Core and External Components
– 3.3V or 1.8V VDDIO I/O Lines Power Supply, Independent 3.3V VDDFLASH Flash Power Supply
– 1.8V VDDCORE Core Power Supply with Brown-out Detector

3
SAM7S Series [DATASHEET]
6175KS–ATARM–25-Oct-12
•
Fully Static Operation: Up to 55 MHz at 1.65V and 85
⋅ C Worst Case Conditions
•
Available in 64-lead LQFP Green or 64-pad QFN Green Package (SAM7S512/256/128/64/321/161) and 48-lead LQFP Green or
48-pad QFN Green Package (SAM7S32/16)
1.
Description
Atmel’s SAM7S is a series of low pincount Flash microcontrollers based on the 32-bit ARM RISC processor. It fea-
tures a high-speed Flash and an SRAM, a large set of peripherals, including a USB 2.0 device (except for the
SAM7S32 and SAM7S16), and a complete set of system functions minimizing the number of external components.
The device is an ideal migration path for 8-bit microcontroller users looking for additional performance and
extended memory.
The embedded Flash memory can be programmed in-system via the JTAG-ICE interface or via a parallel interface
on a production programmer prior to mounting. Built-in lock bits and a security bit protect the firmware from acci-
dental overwrite and preserves its confidentiality.
The SAM7S Series system controller includes a reset controller capable of managing the power-on sequence of
the microcontroller and the complete system. Correct device operation can be monitored by a built-in brownout
detector and a watchdog running off an integrated RC oscillator.
The SAM7S Series are general-purpose microcontrollers. Their integrated USB Device port makes them ideal devices
for peripheral applications requiring connectivity to a PC or cellular phone. Their aggressive price point and high level of
integration pushes their scope of use far into the cost-sensitive, high-volume consumer market.
1.1
Configuration Summary of the SAM7S512, SAM7S256, SAM7S128, SAM7S64, SAM7S321,
SAM7S32, SAM7S161 and SAM7S16
The SAM7S512, SAM7S256, SAM7S128, SAM7S64, SAM7S321, SAM7S32, SAM7S161 and SAM7S16 differ in
memory size, peripheral set and package.
Table 1-1
summarizes the configuration of the six devices.
Except for the SAM7S32/16, all other SAM7S devices are package and pinout compatible.
Notes: 1. Fractional Baud Rate.
2. Full modem line support on USART1.
3. Only two TC channels are accessible through the PIO.
Table 1-1.
Configuration Summary
Device
Flash
TWI
Flash
Organization SRAM
USB
Device
Port
USART
External
Interrupt
Source
PDC
Channels
TC
Channels
I/O 5V
Tolerant
I/O
Lines
Package
SAM7S512
512 Kbytes Master
dual plane
64 Kbytes 1
2
(1)
(2)
2
11
3
Yes
32
LQFP/
QFN 64
SAM7S256
256 Kbytes Master
single plane
64 Kbytes 1
2
(1)
(2)
2
11
3
Yes
32
LQFP/
QFN 64
SAM7S128
128 Kbytes Master
single plane
32 Kbytes 1
2
(1)
(2)
2
11
3
Yes
32
LQFP/
QFN 64
SAM7S64
64 Kbytes
Master
single plane
16 Kbytes 1
2
(2)
2
11
3
Yes
32
LQFP/
QFN 64
SAM7S321
32 Kbytes
Master
single plane
8 Kbytes
1
2
(2)
2
11
3
Yes
32
LQFP/
QFN 64
SAM7S32
32 Kbytes
Master
single plane
8 Kbytes
not
present
1
1
9
3
(3)
Yes
21
LQFP/
QFN 48
SAM7S161
16 Kbytes
Master/
Slave
single plane
4 Kbytes
1
2
(2)
2
11
3
No
32
LQFP
SAM7S16
16 Kbytes
Master/
Slave
single plane
4 Kbytes
not
present
1
1
9
3
(3)
No
21
LQFP/
QFN 48

4
SAM7S Series [DATASHEET]
6175KS–ATARM–25-Oct-12
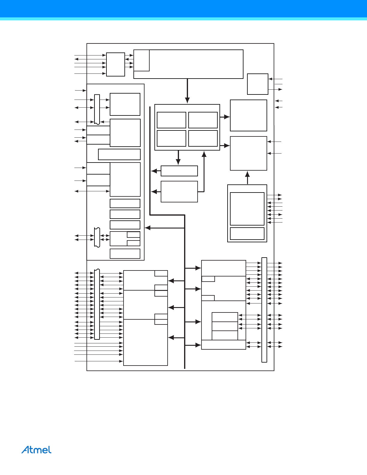
2.
Block Diagram
Figure 2-1. SAM7S512/256/128/64/321/161 Block Diagram
TDI
TDO
TMS
TCK
NRST
FIQ
IRQ0-IRQ1
PCK0-PCK2
PMC
Peripheral Bridge
Peripheral Data
Controller
AIC
PLL
RCOSC
SRAM
64/32/16/8/4 Kbytes
ARM7TDMI
Processor
ICE
JTAG
SCAN
JTAGSEL
PIOA
USART0
SSC
Timer Counter
RXD0
TXD0
SCK0
RTS0
CTS0
NPCS0
NPCS1
NPCS2
NPCS3
MISO
MOSI
SPCK
Flash
512/256/
128/64/32/16 Kbytes
Reset
Controller
DRXD
DTXD
TF
TK
TD
RD
RK
RF
TCLK0
TCLK1
TCLK2
TIOA0
TIOB0
TIOA1
TIOB1
TIOA2
TIOB2
Memory Controller
Abort
Status
Address
Decoder
Misalignment
Detection
PIO
PIO
APB
POR
Embedded
Flash
Controller
AD0
AD1
AD2
AD3
ADTRG
PLLRC
11 Channels
PDC
PDC
USART1
RXD1
TXD1
SCK1
RTS1
CTS1
DCD1
DSR1
DTR1
RI1
PDC
PDC
PDC
PDC
SPI
PDC
ADC
ADVREF
PDC
PDC
TC0
TC1
TC2
TWD
TWCK
TWI
OSC
XIN
XOUT
VDDIN
PWMC
PWM0
PWM1
PWM2
PWM3
1.8 V
Voltage
Regulator
USB Device
FIFO
DDM
DDP
T
ransceiv
er
GND
VDDOUT
BOD
VDDCORE
VDDCORE
AD4
AD5
AD6
AD7
VDDFLASH
Fast Flash
Programming
Interface
ERASE
PIO
PGMD0-PGMD15
PGMNCMD
PGMEN0-PGMEN2
PGMRDY
PGMNVALID
PGMNOE
PGMCK
PGMM0-PGMM3
VDDIO
TST
DBGU
PDC
PDC
PIO
PIT
WDT
RTT
System Controller
VDDCORE
SAM-BA
ROM

5
SAM7S Series [DATASHEET]
6175KS–ATARM–25-Oct-12
Figure 2-2. SAM7S32/16 Block Diagram
ROM
TDI
TDO
TMS
TCK
NRST
FIQ
IRQ0
PCK0-PCK2
JTAGSEL
RXD0
TXD0
SCK0
RTS0
CTS0
NPCS0
NPCS1
NPCS2
NPCS3
MISO
MOSI
SPCK
DRXD
DTXD
TF
TK
TD
RD
RK
RF
TCLK0
TIOA0
TIOB0
TIOA1
TIOB1
AD0
AD1
AD2
AD3
ADTRG
PLLRC
9 Channels
ADVREF
TWD
TWCK
XIN
XOUT
VDDIN
PWM0
PWM1
PWM2
PWM3
GND
VDDOUT
VDDCORE
VDDCORE
AD4
AD5
AD6
AD7
VDDFLASH
ERASE
PGMD0-PGMD7
PGMNCMD
PGMEN0-PGMEN2
PGMRDY
PGMNVALID
PGMNOE
PGMCK
PGMM0-PGMM3
VDDIO
TST
VDDCORE
SRAM
8/4 Kbytes
ARM7TDMI
Processor
Flash
32/16 Kbytes
APB
SAM-BA
PMC
Peripheral Bridge
Peripheral DMA
Controller
AIC
PLL
RCOSC
ICE
JTAG
SCAN
PIOA
USART0
SSC
Timer Counter
Reset
Controller
Memory Controller
Abort
Status
Address
Decoder
Misalignment
Detection
PIO
PIO
POR
Embedded
Flash
Controller
PDC
PDC
PDC
PDC
SPI
PDC
ADC
PDC
PDC
TC0
TC1
TC2
TWI
OSC
PWMC
1.8 V
Voltage
Regulator
BOD
Fast Flash
Programming
Interface
PIO
DBGU
PDC
PDC
PIO
PIT
WDT
RTT
System Controller

6
SAM7S Series [DATASHEET]
6175KS–ATARM–25-Oct-12
3.
Signal Description
Table 3-1.
Signal Description List
Signal Name
Function
Type
Active
Level
Comments
Power
VDDIN
Voltage and ADC Regulator Power Supply
Input
Power
3.0 to 3.6V
VDDOUT
Voltage Regulator Output
Power
1.85V nominal
VDDFLASH
Flash Power Supply
Power
3.0V to 3.6V
VDDIO
I/O Lines Power Supply
Power
3.0V to 3.6V or 1.65V to 1.95V
VDDCORE
Core Power Supply
Power
1.65V to 1.95V
VDDPLL
PLL
Power
1.65V to 1.95V
GND
Ground
Ground
Clocks, Oscillators and PLLs
XIN
Main Oscillator Input
Input
XOUT
Main Oscillator Output
Output
PLLRC
PLL Filter
Input
PCK0 - PCK2
Programmable Clock Output
Output
ICE and JTAG
TCK
Test Clock
Input
No pull-up resistor
TDI
Test Data In
Input
No pull-up resistor
TDO
Test Data Out
Output
TMS
Test Mode Select
Input
No pull-up resistor
JTAGSEL
JTAG Selection
Input
Pull-down resistor
(1)
Flash Memory
ERASE
Flash and NVM Configuration Bits Erase
Command
Input
High
Pull-down resistor
(1)
Reset/Test
NRST
Microcontroller Reset
I/O
Low
Open-drain with pull-Up resistor
TST
Test Mode Select
Input
High
Pull-down resistor
(1)
Debug Unit
DRXD
Debug Receive Data
Input
DTXD
Debug Transmit Data
Output
AIC
IRQ0 - IRQ1
External Interrupt Inputs
Input
IRQ1 not present on SAM7S32/16
FIQ
Fast Interrupt Input
Input
PIO
PA0 - PA31
Parallel IO Controller A
I/O
Pulled-up input at reset
PA0 - PA20 only on SAM7S32/16

7
SAM7S Series [DATASHEET]
6175KS–ATARM–25-Oct-12
USB Device Port
DDM
USB Device Port Data -
Analog
not present on SAM7S32/16
DDP
USB Device Port Data +
Analog
not present on SAM7S32/16
USART
SCK0 - SCK1
Serial Clock
I/O
SCK1 not present on SAM7S32/16
TXD0 - TXD1
Transmit Data
I/O
TXD1 not present on SAM7S32/16
RXD0 - RXD1
Receive Data
Input
RXD1 not present on SAM7S32/16
RTS0 - RTS1
Request To Send
Output
RTS1 not present on SAM7S32/16
CTS0 - CTS1
Clear To Send
Input
CTS1 not present on SAM7S32/16
DCD1
Data Carrier Detect
Input
not present on SAM7S32/16
DTR1
Data Terminal Ready
Output
not present on SAM7S32/16
DSR1
Data Set Ready
Input
not present on SAM7S32/16
RI1
Ring Indicator
Input
not present on SAM7S32/16
Synchronous Serial Controller
TD
Transmit Data
Output
RD
Receive Data
Input
TK
Transmit Clock
I/O
RK
Receive Clock
I/O
TF
Transmit Frame Sync
I/O
RF
Receive Frame Sync
I/O
Timer/Counter
TCLK0 - TCLK2
External Clock Inputs
Input
TCLK1 and TCLK2 not present on
SAM7S32/16
TIOA0 - TIOA2
I/O Line A
I/O
TIOA2 not present on SAM7S32/16
TIOB0 - TIOB2
I/O Line B
I/O
TIOB2 not present on SAM7S32/16
PWM Controller
PWM0 - PWM3
PWM Channels
Output
SPI
MISO
Master In Slave Out
I/O
MOSI
Master Out Slave In
I/O
SPCK
SPI Serial Clock
I/O
NPCS0
SPI Peripheral Chip Select 0
I/O
Low
NPCS1-NPCS3
SPI Peripheral Chip Select 1 to 3
Output
Low
Table 3-1.
Signal Description List (Continued)
Signal Name
Function
Type
Active
Level
Comments

8
SAM7S Series [DATASHEET]
6175KS–ATARM–25-Oct-12
Note:
1. Refer to
Section 6. “I/O Lines Considerations” on page 14
.
Two-Wire Interface
TWD
Two-wire Serial Data
I/O
TWCK
Two-wire Serial Clock
I/O
Analog-to-Digital Converter
AD0-AD3
Analog Inputs
Analog
Digital pulled-up inputs at reset
AD4-AD7
Analog Inputs
Analog
Analog Inputs
ADTRG
ADC Trigger
Input
ADVREF
ADC Reference
Analog
Fast Flash Programming Interface
PGMEN0-PGMEN2
Programming Enabling
Input
PGMM0-PGMM3
Programming Mode
Input
PGMD0-PGMD15
Programming Data
I/O
PGMD0-PGMD7 only on SAM7S32/16
PGMRDY
Programming Ready
Output
High
PGMNVALID
Data Direction
Output
Low
PGMNOE
Programming Read
Input
Low
PGMCK
Programming Clock
Input
PGMNCMD
Programming Command
Input
Low
Table 3-1.
Signal Description List (Continued)
Signal Name
Function
Type
Active
Level
Comments

9
SAM7S Series [DATASHEET]
6175KS–ATARM–25-Oct-12
4.
Package and Pinout
The SAM7S512/256/128/64/321 are available in a 64-lead LQFP or 64-pad QFN package.
The SAM7S161 is available in a 64-Lead LQFP package.
The SAM7S32/16 are available in a 48-lead LQFP or 48-pad QFN package.
4.1
64-lead LQFP and 64-pad QFN Package Outlines
Figure 4-1
and
Figure 4-2
show the orientation of the 64-lead LQFP and the 64-pad QFN package. A detailed
mechanical description is given in the section Mechanical Characteristics of the full datasheet.
Figure 4-1. 64-lead LQFP Package (Top View)
Figure 4-2. 64-pad QFN Package (Top View)
1
16
17
32
33
48
49
64
33
48
16
1
49
64
32
17

10
SAM7S Series [DATASHEET]
6175KS–ATARM–25-Oct-12
4.2
64-lead LQFP and 64-pad QFN Pinout
Note:
1. The bottom pad of the QFN package must be connected to ground.
Table 4-1.
SAM7S512/256/128/64/321/161 Pinout
(1)
1
ADVREF
17
GND
33
TDI
49
TDO
2
GND
18
VDDIO
34
PA6/PGMNOE
50
JTAGSEL
3
AD4
19
PA16/PGMD4
35
PA5/PGMRDY
51
TMS
4
AD5
20
PA15/PGMD3
36
PA4/PGMNCMD
52
PA31
5
AD6
21
PA14/PGMD2
37
PA27/PGMD15
53
TCK
6
AD7
22
PA13/PGMD1
38
PA28
54
VDDCORE
7
VDDIN
23
PA24/PGMD12
39
NRST
55
ERASE
8
VDDOUT
24
VDDCORE
40
TST
56
DDM
9
PA17/PGMD5/AD0
25
PA25/PGMD13
41
PA29
57
DDP
10
PA18/PGMD6/AD1
26
PA26/PGMD14
42
PA30
58
VDDIO
11
PA21/PGMD9
27
PA12/PGMD0
43
PA3
59
VDDFLASH
12
VDDCORE
28
PA11/PGMM3
44
PA2/PGMEN2
60
GND
13
PA19/PGMD7/AD2
29
PA10/PGMM2
45
VDDIO
61
XOUT
14
PA22/PGMD10
30
PA9/PGMM1
46
GND
62
XIN/PGMCK
15
PA23/PGMD11
31
PA8/PGMM0
47
PA1/PGMEN1
63
PLLRC
16
PA20/PGMD8/AD3
32
PA7/PGMNVALID
48
PA0/PGMEN0
64
VDDPLL