
© 2008 Microchip Technology Inc.
DS21798C-page 1
TC1301A/B
Features
• Dual Output LDO with Microcontroller Reset
Monitor Functionality:
- V
OUT1
= 1.5V to 3.3V @ 300 mA
- V
OUT2
= 1.5V to 3.3V @ 150 mA
- V
RESET
= 2.20V to 3.20V
• Output Voltage and RESET Threshold Voltage
Options Available (See
Table 8-1
)
• Low Dropout Voltage:
- V
OUT1
= 104 mV @ 300 mA (typical)
- V
OUT2
= 150 mV @ 150 mA, (typical)
• Low Supply Current: 116 µA (typical),
TC1301A/B with both output voltages available
• Reference Bypass Input for Low-Noise Operation
• Both Output Voltages Stable with a Minimum of
1 µF Ceramic Output Capacitor
• Separate Input for RESET Detect Voltage
(TC1301A)
• Separate V
OUT1
and V
OUT2
SHDN pins
(TC1301B)
• RESET Output Duration: 300 ms (typical)
• Power-Saving Shutdown Mode of Operation
• Wake-up from SHDN: 5.3 µs (typical)
• Small 8-pin DFN and MSOP Package Options
• Operating Junction Temperature Range:
- -40°C to +125°C
• Overtemperature and Overcurrent Protection
Applications
• Cellular/GSM/PHS Phones
• Battery-Operated Systems
• Hand-Held Medical Instruments
• Portable Computers/PDAs
• Linear Post-Regulators for SMPS
• Pagers
Related Literature
• AN765, “Using Microchip’s Micropower LDOs”,
DS00765, Microchip Technology Inc., 2002
• AN766, “Pin-Compatible CMOS Upgrades to
BiPolar LDOs”, DS00766, Microchip Technology
Inc., 2002
• AN792, “A Method to Determine How Much
Power a SOT23 Can Dissipate in an Application”,
DS00792, Microchip Technology Inc., 2001
Description
The TC1301A/B combines two Low Dropout (LDO)
regulators and a microcontroller RESET function into a
single 8-pin MSOP or DFN package. Both regulator
outputs feature low dropout voltage, 104 mV
@ 300 mA for V
OUT1
, 150 mV @ 150 mA for V
OUT2
,
low quiescent current consumption, 58 µA each and a
typical regulation accuracy of 0.5%. Several fixed-
output voltage and detector voltage combinations are
available. A reference bypass pin is available to further
reduce output noise and improve the power supply
rejection ratio of both LDOs.
The TC1301A/B is stable over all line and load
conditions with a minimum of 1 µF of ceramic output
capacitance, and utilizes a unique compensation
scheme to provide fast dynamic response to sudden
line voltage and load current changes.
For the TC1301A, the microcontroller RESET function
operates independently of both V
OUT1
and V
OUT2
. The
input to the RESET function is connected to the V
DET
pin.The SHDN2 pin is used to control the output of
V
OUT2
only. V
OUT1
will power-up and down with V
IN
.
In the case of the TC1301B, the detect voltage input of
the RESET function is connected internally to V
OUT1
.
Both V
OUT1
and V
OUT2
have independent shutdown
capability.
Additional features include an overcurrent limit and
overtemperature protection that, when combined,
provide a robust design for all load fault conditions.
Package Types
8-Pin DFN/MSOP
RESET
SHDN2
Bypass
GND
V
DET
1
2
3
4
5
6
7
8
V
OUT2
V
IN
1
2
3
4
5
6
7
8
V
OUT1
TC1301A
RESET
SHDN2
Bypass
GND
V
DET
V
OUT2
V
IN
V
OUT1
DFN8
MSOP8
RESET
SHDN2
Bypass
GND
SHDN1
1
2
3
4
5
6
7
8
V
OUT2
V
IN
1
2
3
4
5
6
7
8
V
OUT1
TC1301B
RESET
SHDN2
Bypass
GND
SHDN1
V
OUT2
V
IN
V
OUT1
DFN8
MSOP8
Dual LDO with Microcontroller RESET Function

TC1301A/B
DS21798C-page 2
© 2008 Microchip Technology Inc.
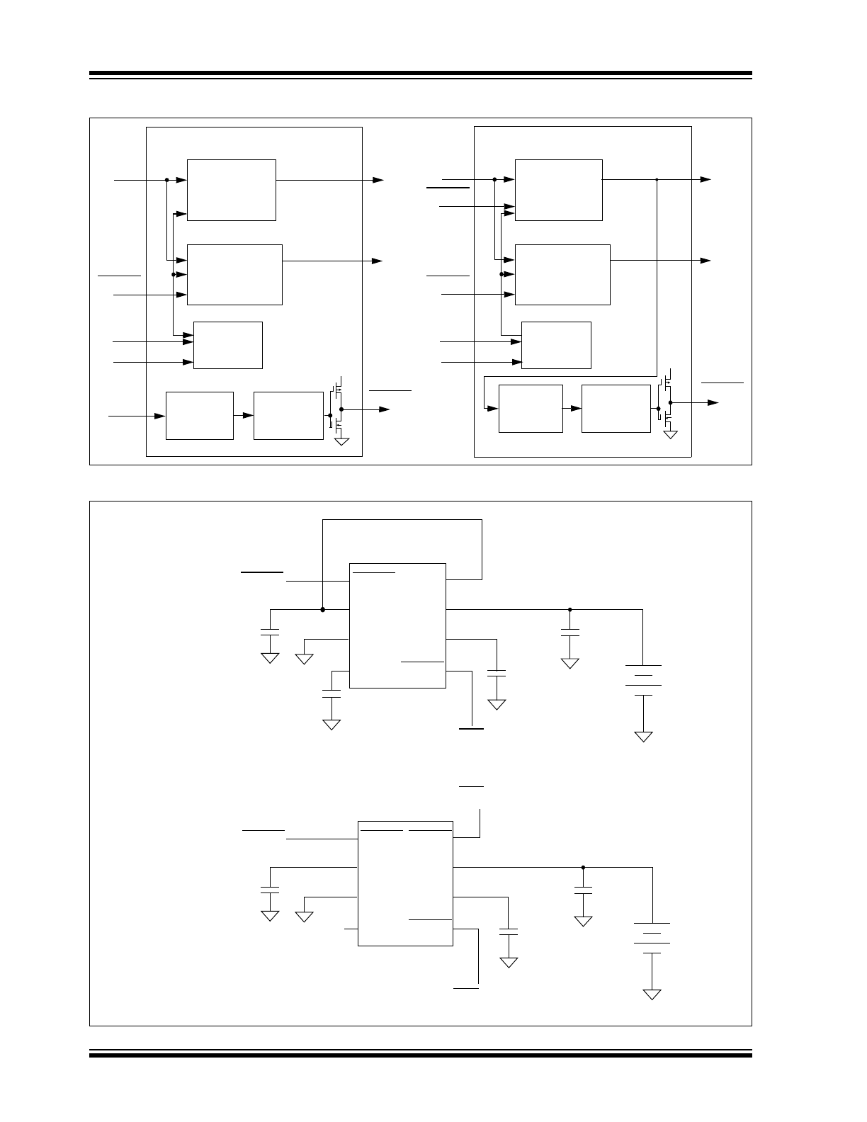
Functional Block Diagrams
Typical Application Circuits
LDO #2
150 mA
LDO #1
300 mA
LDO #2
150 mA
V
IN
V
OUT1
V
OUT2
Bandgap
Reference
1.2V
SHDN2
Threshold
Detector
Time Delay
300 ms, typ
RESET
V
DET
GND
Bypass
TC1301A
V
DET
TC1301B
V
IN
SHDN2
GND
Bypass
SHDN1
LDO #1
300 mA
Threshold
Detector
Time Delay
300 ms typ
V
OUT1
V
OUT2
RESET
V
OU
T
1
Bandgap
Reference
1.2V
V
OUT1
8
4
1
2
3
RESET
GND
V
DET
BATTERY
C
OUT1
1 µF Ceramic
X5R
C
IN
1 µF
TC1301A
C
OUT2
1 µF Ceramic
X5R
C
BYPASS
(Note)
10 nF Ceramic
Bypass
V
IN
7
V
OUT2
6
SHDN2
ON/OFF Control V
OUT2
System RESET
2.8V @ 300 mA
2.6V @ 150 mA
5
V
OUT1
8
4
1
2
3
RESET
GND
SHDN1
BATTERY
C
OUT1
1 µF Ceramic
X5R
C
IN
1 µF
TC1301B
1 µF Ceramic
X5R
Bypass
V
IN
7
2.7V
to
4.2V
V
OUT2
6
SHDN2
ON/OFF Control V
OUT2
System RESET
2.8V @ 300 mA
2.6V @ 150 mA
5
ON/OFF Control V
OUT1
Note: C
BYPASS
is optional
2.7V
to
4.2V
C
OUT2

© 2008 Microchip Technology Inc.
DS21798C-page 3
TC1301A/B
1.0
ELECTRICAL
CHARACTERISTICS
Absolute Maximum Ratings †
V
DD
...................................................................................6.5V
Maximum Voltage on Any Pin ...... (V
SS
– 0.3) to (V
IN
+ 0.3)V
Power Dissipation ..........................Internally Limited (Note 7)
Storage temperature .....................................-65°C to +150°C
Maximum Junction Temperature, T
J
........................... +150°C
Continuous Operating Temperature Range ..-40°C to +125°C
ESD protection on all pins, HBM, MM
..................... 4 kV, 400V
† Notice: Stresses above those listed under “Maximum
Ratings” may cause permanent damage to the device. This is
a stress rating only and functional operation of the device at
those or any other conditions above those indicated in the
operational listings of this specification is not implied.
Exposure to maximum rating conditions for extended periods
may affect device reliability.
DC CHARACTERISTICS
Electrical Specifications: Unless otherwise noted, V
IN
= V
R
+1V, I
OUT1
=
I
OUT2
= 100 µA, C
IN
= 4.7 µF, C
OUT1
= C
OUT2
= 1 µF,
C
BYPASS
= 10 nF, SHDN > V
IH
, T
A
= +25°C.
Boldface type specifications apply for junction temperatures of -40°C to +125°C.
Parameters
Sym
Min
Typ
Max
Units
Conditions
Input Operating Voltage
V
IN
2.7
—
6.0
V
Note 1
Maximum Output Current
I
OUT1Max
300
—
—
mA
V
IN
= 2.7V to 6.0V (Note 1)
Maximum Output Current
I
OUT2Max
150
—
—
mA
V
IN
= 2.7V to 6.0V (Note 1)
Output Voltage Tolerance
(V
OUT1
and V
OUT2
)
V
OUT
V
R
– 2.5
V
R
±0.5 V
R
+ 2.5
%
Note 2
Temperature Coefficient
(V
OUT1
and V
OUT2
)
TCV
OUT
—
25
—
ppm/°C
Note 3
Line Regulation
(V
OUT1
and V
OUT2
)
ΔV
OUT
/
ΔV
IN
—
0.02
0.2
%/V
(V
R
+1V)
≤ V
IN
≤ 6V
Load Regulation, V
OUT
≥ 2.5V
(V
OUT1
and V
OUT2
)
ΔV
OUT
/
V
OUT
-1
0.1
+1
%
I
OUTX
= 0.1 mA to I
OUTMax
(Note 4)
Load Regulation, V
OUT
< 2.5V
(V
OUT1
and V
OUT2
)
ΔV
OUT
/
V
OUT
-1.5
0.1
+1.5
%
I
OUTX
= 0.1 mA to I
OUTMax
(Note 4)
Thermal Regulation
ΔV
OUT
/
ΔP
D
—
0.04
—
%/W
Note 5
Dropout Voltage (Note 6)
V
OUT1
≥ 2.7V
V
IN
– V
OUT
—
104
180
mV
I
OUT1
= 300 mA
V
OUT2
≥ 2.6V
V
IN
– V
OUT
—
150
250
mV
I
OUT2
= 150 mA
Supply Current
TC1301A
I
IN(A)
—
103
180
µA
SHDN2 = V
IN
, V
DET
= OPEN,
I
OUT1
= I
OUT2
= 0 mA
TC1301B
I
IN(B)
—
114
180
µA
SHDN1 = SHDN2 = V
IN
,
I
OUT1
= I
OUT2
= 0 mA
Note
1:
The minimum V
IN
has to meet two conditions: V
IN
≥ 2.7V and V
IN
≥ V
R
+ V
DROPOUT
.
2:
V
R
is defined as the higher of the two regulator nominal output voltages (V
OUT1
or V
OUT2
).
3:
TCV
OUT
= ((V
OUTmax
- V
OUTmin
) * 10
6
)/(V
OUT
*
ΔT).
4:
Regulation is measured at a constant junction temperature using low duty-cycle pulse testing. Load regulation is tested
over a load range from 0.1 mA to the maximum specified output current. Changes in output voltage due to heating
effects are covered by the thermal regulation specification.
5:
Thermal regulation is defined as the change in output voltage at a time t after a change in power dissipation is applied,
excluding load or line regulation effects. Specifications are for a current pulse equal to I
LMAX
at V
IN
= 6V for
t = 10 ms.
6:
Dropout voltage is defined as the input-to-output voltage differential at which the output voltage drops 2% below its value
measured at a 1V differential.
7:
The maximum allowable power dissipation is a function of ambient temperature, the maximum allowable junction
temperature and the thermal resistance from junction-to-air (i.e., T
A
, T
J
,
θ
JA
). Exceeding the maximum allowable power
dissipation causes the device to initiate thermal shutdown
.

TC1301A/B
DS21798C-page 4
© 2008 Microchip Technology Inc.
Shutdown Supply Current
TC1301A
I
IN_SHDNA
—
58
90
µA
SHDN2 = GND, V
DET
= OPEN
Shutdown Supply Current
TC1301B
I
IN_SHDNB
—
0.1
1
µA
SHDN1 = SHDN2 = GND
Power Supply Rejection Ratio
PSRR
—
58
—
dB
f
≤ 100 Hz, I
OUT1
= I
OUT2
= 50 mA,
C
IN
= 0 µF
Output Noise
eN
—
830
—
nV/(Hz)
½
f
≤ 1 kHz, I
OUT1
= I
OUT2
= 50 mA,
C
IN
= 0 µF
Output Short-Circuit Current (Average)
V
OUT1
I
OUTsc
—
200
—
mA
R
LOAD1
≤ 1Ω
V
OUT2
I
OUTsc
—
140
—
mA
R
LOAD2
≤ 1Ω
SHDN Input High Threshold
V
IH
45
—
—
%V
IN
V
IN
= 2.7V to 6.0V
SHDN Input Low Threshold
V
IL
—
—
15
%V
IN
V
IN
= 2.7V to 6.0V
Wake-Up Time (From SHDN
mode), (V
OUT2
)
t
WK
—
5.3
20
µs
V
IN
= 5V, I
OUT1
= I
OUT2
= 30 mA,
See
Figure 5-1
Settling Time (From SHDN mode),
(V
OUT2
)
t
S
—
50
—
µs
V
IN
= 5V, I
OUT1
= I
OUT2
= 50 mA,
See
Figure 5-2
Thermal Shutdown Die
Temperature
T
SD
—
150
—
°C
V
IN
= 5V, I
OUT1
= I
OUT2
= 100 µA
Thermal Shutdown Hysteresis
T
HYS
—
10
—
°C
V
IN
= 5V
Voltage Range
V
DET
1.0
1.2
—
6.0
6.0
V
T
A
= 0°C to +70°C
T
A
= -40°C to +125°C
RESET Threshold
V
TH
-1.4
—
+1.4
%
-2.8
—
+2.8
%
T
A
= -40°C to +125°C
RESET Threshold Tempco
ΔV
TH
/
ΔT
—
30
—
ppm/°C
V
DET
RESET Delay
t
RPD
—
180
—
µs
V
DET
= V
TH
to (V
TH
– 100 mV),
See
Figure 5-3
RESET Active Time-out Period
t
RPU
140
300
560
ms
V
DET
= V
TH
- 100 mV to V
TH
+ 100 mV,
I
SINK
= 1.2 mA, See
Figure 5-3
.
RESET Output Voltage Low
V
OL
—
—
0.2
V
V
DET
= V
THmin
, I
SINK
= 1.2 mA,
I
SINK
= 100 µA for V
DET
< 1.8V,
See
Figure 5-3
RESET Output Voltage High
V
OH
0.9
V
DET
—
—
V
V
DET
> V
THmax
, I
SOURCE
= 500 µA,
See
Figure 5-3
DC CHARACTERISTICS (CONTINUED)
Electrical Specifications: Unless otherwise noted, V
IN
= V
R
+1V, I
OUT1
=
I
OUT2
= 100 µA, C
IN
= 4.7 µF, C
OUT1
= C
OUT2
= 1 µF,
C
BYPASS
= 10 nF, SHDN > V
IH
, T
A
= +25°C.
Boldface type specifications apply for junction temperatures of -40°C to +125°C.
Parameters
Sym
Min
Typ
Max
Units
Conditions
Note
1:
The minimum V
IN
has to meet two conditions: V
IN
≥ 2.7V and V
IN
≥ V
R
+ V
DROPOUT
.
2:
V
R
is defined as the higher of the two regulator nominal output voltages (V
OUT1
or V
OUT2
).
3:
TCV
OUT
= ((V
OUTmax
- V
OUTmin
) * 10
6
)/(V
OUT
*
ΔT).
4:
Regulation is measured at a constant junction temperature using low duty-cycle pulse testing. Load regulation is tested
over a load range from 0.1 mA to the maximum specified output current. Changes in output voltage due to heating
effects are covered by the thermal regulation specification.
5:
Thermal regulation is defined as the change in output voltage at a time t after a change in power dissipation is applied,
excluding load or line regulation effects. Specifications are for a current pulse equal to I
LMAX
at V
IN
= 6V for
t = 10 ms.
6:
Dropout voltage is defined as the input-to-output voltage differential at which the output voltage drops 2% below its value
measured at a 1V differential.
7:
The maximum allowable power dissipation is a function of ambient temperature, the maximum allowable junction
temperature and the thermal resistance from junction-to-air (i.e., T
A
, T
J
,
θ
JA
). Exceeding the maximum allowable power
dissipation causes the device to initiate thermal shutdown
.

© 2008 Microchip Technology Inc.
DS21798C-page 5
TC1301A/B
TEMPERATURE SPECIFICATIONS
Electrical Specifications:
Unless otherwise indicated, all limits are specified for: V
IN
= +2.7V to +6.0V.
Parameters
Sym
Min
Typical
Max
Units
Conditions
Temperature Ranges
Operating Junction Temperature
Range
T
A
-40
—
+125
°C
Steady State
Storage Temperature Range
T
A
-65
—
+150
°C
Maximum Junction Temperature
T
J
—
—
+150
°C
Transient
Thermal Package Resistances
Thermal Resistance, 8LD MSOP
θ
JA
—
208
—
°C/W
Typical 4-Layer Board
Thermal Resistance, 8LD DFN
θ
JA
—
41
—
°C/W
Typical 4-Layer Board with Vias

TC1301A/B
DS21798C-page 6
© 2008 Microchip Technology Inc.
2.0
TYPICAL PERFORMANCE CURVES
Note: Unless otherwise indicated,
V
IN
= V
R
+1V, I
OUT1
=
I
OUT2
= 100 µA, C
IN
= 4.7 µF, C
OUT1 =
C
OUT2
= 1 µF (X5R or X7R),
C
BYPASS
= 0 pF, SHDN1 = SHDN2 > V
IH
. For the TC1301A, V
DET
= V
OUT1
, RESET = OPEN, T
A
= +25°C.
FIGURE 2-1:
Quiescent Current vs. Input
Voltage.
FIGURE 2-2:
SHDN Voltage Threshold
vs. Input Voltage.
FIGURE 2-3:
Quiescent Current vs.
Junction Temperature.
FIGURE 2-4:
Output Voltage vs. Input
Voltage.
FIGURE 2-5:
Output Voltage vs. Input
Voltage.
FIGURE 2-6:
Dropout Voltage vs. Output
Current (V
OUT1
).
Note:
The graphs and tables provided following this note are a statistical summary based on a limited number of
samples and are provided for informational purposes only. The performance characteristics listed herein
are not tested or guaranteed. In some graphs or tables, the data presented may be outside the specified
operating range (e.g., outside specified power supply range) and therefore outside the warranted range.
0
50
100
150
200
250
300
350
2.7 3.0 3.3 3.6 3.9 4.2 4.5 4.8 5.1 5.4 5.7 6.0
Input Voltage (V)
Q
u
iescent Cur
re
nt (µA)
V
OUT2
SHDN
V
OUT2
Active
T
J
= 25°C
I
OUT1
= I
OUT2
= 0 µA
V
OUT1
Active
TC1301B
0.8
0.9
1.0
1.1
1.2
1.3
1.4
1.5
1.6
1.7
1.8
2.7
3
3.3 3.6 3.9 4.2 4.5 4.8 5.1 5.4 5.7
6
Input Voltage (V)
S
HDN Threshold (V
)
ON
OFF
40
50
60
70
80
90
100
110
120
130
140
-40 -25 -10
5
20 35 50
65 80 95 110 125
Junction Temperature (°C)
Q
u
iescent Cur
re
nt (µA)
V
IN
= 4.2V
I
OUT1
= I
OUT2
= 0 µA
V
OUT1
Active
V
OUT2
SHDN
V
OUT2
Active
TC1301B
2.60
2.70
2.80
2.90
3.00
2.7
3
3.3 3.6 3.9 4.2 4.5 4.8 5.1 5.4 5.7
6
Input Voltage (V)
O
u
tput V
o
lt
age (V
)
T
J
= 25°C
I
OUT1
= 100 mA
I
OUT2
= 50 mA
V
OUT1
V
OUT2
2.50
2.55
2.60
2.65
2.70
2.75
2.80
2.85
2.90
2.7
3
3.3 3.6 3.9 4.2 4.5 4.8 5.1 5.4 5.7
6
Input Voltage (V)
O
u
tput V
o
lt
age (V
)
T
J
= +25°C
I
OUT1
= 300 mA
I
OUT2
= 100 mA
V
OUT1
V
OUT2
0.0
20.0
40.0
60.0
80.0
100.0
120.0
140.0
0
50
100
150
200
250
300
I
OUT1
(mA)
Dropout Voltage V
OUT1
(mV
)
V
R1
= 2.8V
V
R2
= 2.6V
I
OUT2
= 100 µA
T
J
= - 40°C
T
J
= +25°C
T
J
= +125°C

© 2008 Microchip Technology Inc.
DS21798C-page 7
TC1301A/B
Note: Unless otherwise indicated,
V
IN
= V
R
+1V, I
OUT1
=
I
OUT2
= 100 µA, C
IN
= 4.7 µF, C
OUT1 =
C
OUT2
= 1 µF (X5R or X7R),
C
BYPASS
= 0 pF, SHDN1 = SHDN2 > V
IH
. For the TC1301A, V
DET
= V
OUT1
, RESET = OPEN, T
A
= +25°C.
FIGURE 2-7:
Dropout Voltage vs.
Junction Temperature (V
OUT1
).
FIGURE 2-8:
Dropout Voltage vs. Output
Current (V
OUT2
).
FIGURE 2-9:
Dropout Voltage vs.
Junction Temperature (V
OUT2
).
FIGURE 2-10:
V
OUT1
and V
OUT2
Load
Regulation vs. Junction Temperature.
FIGURE 2-11:
V
OUT1
and V
OUT2
Line
Regulation vs. Junction Temperature.
FIGURE 2-12:
V
OUT1
vs. Junction
Temperature.
0
20
40
60
80
100
120
140
-40 -25 -10
5
20 35 50 65 80 95 110 125
Junction Temperature (°C)
Dropout Voltage V
OUT1
(mV
)
V
R1
= 2.8V
V
R2
= 2.6V
I
OUT2
= 100 µA
I
OUT1
= 300 mA
I
OUT1
= 100 mA
I
OUT1
= 50 mA
0
20
40
60
80
100
120
140
160
180
0
30
60
90
120
150
I
OUT2
(mA)
Dropout Voltage, V
OUT2
(mv)
V
R1
= 2.8V
V
R2
= 2.6V
I
OUT1
= 100 µA
T
J
= +125°C
T
J
= +25°C
T
J
= - 40°C
0
20
40
60
80
100
120
140
160
180
-40 -25 -10
5
20 35 50 65 80 95 110 125
Junction Temperature (°C)
Dropout Voltage V
OUT2
(mV
)
V
R1
= 2.8V
V
R2
= 2.6V
I
OUT1
= 100 µA
I
OUT2
= 150 mA
I
OUT2
= 50 mA
I
OUT2
= 10 mA
-0.40
-0.30
-0.20
-0.10
0.00
0.10
0.20
0.30
0.40
-40 -25 -10
5
20
35
50
65
80
95 110 125
Junction Temperature (125°C)
Load Regul
at
ion (
%
)
I
OUT2
= 0.1 mA to 150 mA
I
OUT1
= 0.1 mA to 300 mA
V
R1
= 2.8V
V
R2
= 2.6V
V
IN
= 4.2
V
OUT2
V
OUT1
0.000
0.005
0.010
0.015
0.020
0.025
0.030
0.035
0.040
0.045
-40 -25 -10
5
20 35 50 65 80 95 110 125
Junction Temperature (°C)
Line Regulation (%/V)
V
IN
= 3.8V to 6.0V
V
R1
= 2.8V, I
OUT1
= 100 µA
V
R2
= 2.6V, I
OUT2
= 100 µA
V
OUT1
V
OUT2
2.808
2.812
2.816
2.820
2.824
2.828
2.832
-40 -25 -10
5
20 35 50 65 80 95 110 125
Junction Temperature (°C)
Output Voltage V
OU
T1
(V)
V
IN
= 4.2V
V
R1
= 2.8V
V
R2
= 2.6V, I
OUT2
= 100 µA
I
OUT1
= 300 mA
I
OUT1
= 100 µA
I
OUT1
= 100 mA

TC1301A/B
DS21798C-page 8
© 2008 Microchip Technology Inc.
Note: Unless otherwise indicated,
V
IN
= V
R
+1V, I
OUT1
=
I
OUT2
= 100 µA, C
IN
= 4.7 µF, C
OUT1 =
C
OUT2
= 1 µF (X5R or X7R),
C
BYPASS
= 0 pF, SHDN1 = SHDN2 > V
IH
. For the TC1301A, V
DET
= V
OUT1
, RESET = OPEN, T
A
= +25°C.
FIGURE 2-13:
V
OUT1
vs. Junction
Temperature.
FIGURE 2-14:
V
OUT2
vs. Junction
Temperature.
FIGURE 2-15:
V
OUT2
vs. Junction
Temperature.
FIGURE 2-16:
I
DET
current vs. Junction
Temperature.
FIGURE 2-17:
RESET Active Time vs.
Junction Temperature.
FIGURE 2-18:
V
DET
Trip Point vs. Junction
Temperature.
2.808
2.816
2.824
2.832
2.840
2.848
2.856
-40 -25 -10
5
20
35
50
65
80
95 110 125
Junction Temperature (°C)
Output Vol
tage V
OUT1
(V)
V
R1
= 2.8V, I
OUT1
= 300 mA
V
R2
= 2.6V, I
OUT2
= 100 µA
V
IN
= 6.0V
V
IN
= 4.2V
V
IN
= 3.0V
2.615
2.620
2.625
2.630
2.635
2.640
2.645
-40 -25 -10
5
20
35
50
65
80
95 110 125
Junction Temperature (°C)
Output Vol
tage V
OUT2
(V)
V
IN
= 4.2V
V
R1
= 2.8V, I
OUT1
= 100 µA
V
R2
= 2.6V
I
OUT2
= 150 mA
I
OUT2
= 100 µA
I
OUT2
= 50 mA
2.624
2.628
2.632
2.636
2.640
2.644
-40 -25 -10
5
20 35 50 65 80 95 110 125
Junction Temperature (°C)
O
u
tput V
o
lt
age V
OUT2
(V
)
V
R1
= 2.8V, I
OUT1
= 100 µA
V
R2
= 2.6V, I
OUT2
= 150 mA
V
IN
= 6.0V
V
IN
= 3.0V
V
IN
= 4.2V
0
5
10
15
20
25
30
-40 -25 -10
5
20
35
50
65
80
95 110 125
Junction Temperature (°C)
I
VD
ET
(µA)
V
DET
= 6.0V
V
DET
= 4.2V
V
DET
= 3.0V
V
R1
= 2.8V
V
R2
= 2.6V
200
225
250
275
300
325
350
375
400
-40 -25 -10
5
20
35
50
65
80
95 110 125
Junction Temperature (°C)
RESET
Acti
v
e
Ti
me (ms)
V
IN
= 4.2V
V
R1
= 2.8V
V
R2
= 2.6V
V
DET
= 2.63V
2.6355
2.6360
2.6365
2.6370
2.6375
2.6380
2.6385
2.6390
2.6395
-40 -25 -10
5
20
35
50
65
80
95 110 125
Junction Temperature (°C)
V
DE
T
Trip Point
(
V
)
V
IN
= 4.2V
V
R1
= 2.8V
V
R2
= 2.6V
V
DET
= 2.63V

© 2008 Microchip Technology Inc.
DS21798C-page 9
TC1301A/B
Note: Unless otherwise indicated,
V
IN
= V
R
+1V, I
OUT1
=
I
OUT2
= 100 µA, C
IN
= 4.7 µF, C
OUT1 =
C
OUT2
= 1 µF (X5R or X7R),
C
BYPASS
= 0 pF, SHDN1 = SHDN2 > V
IH
. For the TC1301A, V
DET
= V
OUT1
, RESET = OPEN, T
A
= +25°C.
FIGURE 2-19:
Power Supply Rejection
Ratio vs. Frequency (without bypass capacitor).
FIGURE 2-20:
Power Supply Rejection
Ratio vs. Frequency (with bypass capacitor).
FIGURE 2-21:
V
OUT1
and V
OUT2
Noise vs.
Frequency (without bypass capacitor).
FIGURE 2-22:
V
OUT1
and V
OUT2
Noise vs.
Frequency (with bypass capacitor).
FIGURE 2-23:
V
OUT1
and V
OUT2
Power-up
from Shutdown TC1301B.
FIGURE 2-24:
V
OUT2
Power-up from
Shutdown Input TC1301A.
0.01
0.1
1
10
0.01
0.1
1
10
100
1000
Frequency (KHz)
NOISE (μV/
Hz)
V
IN
= 4.2V
V
R1
= 2.8V
V
R2
=2.6V
I
OUT1
= 150 mA
I
OUT2
= 100 mA
C
BYPASS
= 0 nF
V
OUT1
V
OUT2
0.001
0.01
0.1
1
10
0.01
0.1
1
10
100
1000
Frequency (KHz)
NOISE (μV/
Hz)
V
IN
= 4.2V
V
R1
= 2.8V
V
R2
=2.6V
I
OUT1
= 150 mA
I
OUT2
= 100 mA
C
BYPASS
= 10 nF
V
OUT1
V
OUT2

TC1301A/B
DS21798C-page 10
© 2008 Microchip Technology Inc.
Note: Unless otherwise indicated,
V
IN
= V
R
+1V, I
OUT1
=
I
OUT2
= 100 µA, C
IN
= 4.7 µF, C
OUT1 =
C
OUT2
= 1 µF (X5R or X7R),
C
BYPASS
= 0 pF, SHDN1 = SHDN2 > V
IH
. For the TC1301A, V
DET
= V
OUT1
, RESET = OPEN, T
A
= +25°C.
FIGURE 2-25:
V
OUT1
and V
OUT2
Power-up
from Input Voltage TC1301B.
FIGURE 2-26:
Dynamic Line Response.
FIGURE 2-27:
300 mA Dynamic Load Step
V
OUT1
.
FIGURE 2-28:
150 mA Dynamic Load Step
V
OUT2
.
FIGURE 2-29:
RESET Power-Up From V
IN
TC1301B.
FIGURE 2-30:
TC1301A RESET Power-
Down.